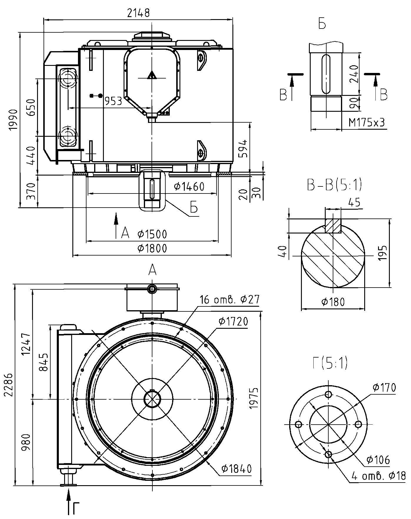
Электродвигатель асинхронный вертикальный с короткозамкнутым ротором ВАНЗ-5-5А-1250-12У3 предназначен для привода вертикального насоса моноблочного исполнения типа ОПВ 5-110 МБ, устанавливаемого на "Запорожской АЭС".
Электродвигатель асинхронный вертикальный с короткозамкнутым ротором ВАНЗ-5-5А-1250-12У3 предназначен для привода вертикального насоса моноблочного исполнения типа ОПВ 5-110 МБ, устанавливаемого на "Запорожской АЭС".
Электродвигатели предназначены для работы в продолжительном режиме S1 от сети перемен-ного тока частотой 50 Гц, на напряжение 6000 В.
Степень защиты двигателей –IP54, выводного устройства статора - IP55.
Конструктивное исполнение двигателя по способу монтажа - IM4011 по ГОСТ 2479. Двига-тели устанавливаются непосредственно на фланце корпуса насоса, и составляют с ним моноблочный агрегат.
Климатическое исполнение и категория размещения – У3.
Двигатели выполняются на подшипниках качения, с одним концом вала. Смазка подшипников электродвигателей – консистентная.
Двигатели изготавливаются с правым направлением вращения, если смотреть со стороны рабо-чего конца вала.
Соединение вала двигателя с валом насоса должно осуществляться посредством эластичной муфты.
Изоляция обмоток двигателей термореактивная типа «Монолит-2» класса нагревостойкости “F” по ГОСТ 8865-93 и с температурным использованием на уровне по классу “В”. Превышение темпе-ратуры частей двигателей по ГОСТ 183-74.
Обмотка статора имеет шесть выводных концов, выведенных в одну коробку выводов. Схема соединения фаз – «звезда». Концы обмоток закреплены на четырех изоляторах в выводном устрой-стве.
Охлаждение двигателей в режиме самовентиляции. Способ охлаждения двигателей: ICW37А71 по ГОСТ 20459.
Структура условного обозначения типоисполнения двигателя:
|
ВАНЗ |
- |
5 |
|
А |
- |
1250 |
- |
12 |
- |
У |
|
3 |
|
|
|
|
|
|
|
|
|
|
|
|
|
Категория размещения |
||
|
|
|
|
|
|
|
|
|
|
Климатическое исполнение |
||||
|
|
|
|
|
|
|
|
|
Число полюсов |
|||||
|
|
|
|
|
|
|
Мощность, кВт |
|||||||
|
|
|
|
|
Специальное исполнение "А" – для АЭС |
|||||||||
|
|
|
Номер серии |
|||||||||||
|
Обозначение серии |
|||||||||||||
| Тип двигателя | Мощность, кВт | Частота вращения, (синхр.), об/мин | КПД, % | cos φ | Масса, кг |
|---|---|---|---|---|---|
| ВАНЗ-5А-1250-12У3 | 1250 | 495 | 95,7 | 0,84 | 8500 |
| Мощность, кВт | |
| Синхронная частота вращения, об/мин | |
| Напряжение, В |