Взрывозащищенные вертикальные асинхронные электродвигатели трехфазного переменного то-ка с короткозамкнутым ротором серии BAСO5К предназначены для продолжительного режима ра-боты S1 в качестве безредукторного привода вентиляторов аппаратов воздушного охлаждения.
Взрывозащищенные вертикальные асинхронные электродвигатели трехфазного переменного то-ка с короткозамкнутым ротором серии BAСO5К предназначены для продолжительного режима ра-боты S1 в качестве безредукторного привода вентиляторов аппаратов воздушного охлаждения.
Исполнения по взрывозащите: 1ExdIIBT4
Вид климатического исполнения: У1; ХЛ1.
Конструктивное исполнение по способу монтажа: M 9633
Степень защиты: корпуса и коробки выводов — IP54.
Способ охлаждения: ICA0141 — обдуваемые с самовентиляцией.
Пуск двигателя прямой, обеспечивается как при номинальном напряжении, так и при падении напряжения сети за время пуска до 0,8 Uном.
Двигатели имеют подшипники качения. Смазка подшипников – консистентная.
Двигатели изготавливаются с одним выступающим коническим концом вала по ГОСТ 12081.
Изоляционные материалы обмотки статора класса нагревостойкости «F».
Коробка выводов имеет три силовых зажима и зажимы заземления, допускает ввод бронирован-ного кабеля с медными жилами. Коробка выводов допускает поворот на 900 и на 1800. Оговаривается при заказе: - «коробка выводов вниз», «вверх», «влево», «вправо», если смотреть со стороны коробки выводов на двигатель, установленный на лапы (выходной конец вала направлен вверх).
Электродвигатели допускают правое и левое направления вращения.
По согласованию с заказчиком могут быть изготовлены двигатели на другие мощности, напря-жения, частоту тока и другого климатического исполнения, а также с другими установочно-присоединительными размерами с учетом требований контракта.
По требованию заказчика двигатели могут комплектоваться:
- подшипниками фирмы SKF;
- магнитожидкостным герметизатором;
.- площадками под датчики вибрации;
- термометрами сопротивления для контроля температуры подшипников;
- площадкой под установку клеммной коробки выводов.
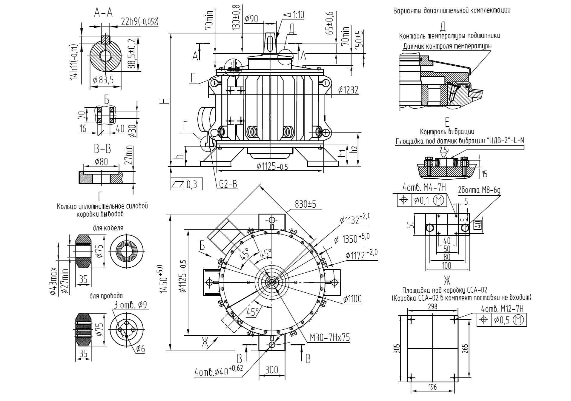
Двигатели ВАСО5К-37-24 могут изготавливаться с цилиндрическим концом вала (см. рис. 2) по ГОСТ 12080
Структура условного обозначения типоисполнения двигателя:
|
ВАСО5К |
- |
37, 55, 75, 90 |
- |
24, 32 |
- |
У, ХЛ |
|
1 |
|
|
|
|
|
|
|
|
|
|
Категория размещения по ГОСТ 15150 |
|
|
|
|
|
|
|
|
Климатическое исполнение по ГОСТ 15150 |
|||
|
|
|
|
|
Число полюсов |
|||||
|
|
|
Мощность, кВт |
|||||||
|
Обозначение: В - взрывозащищенный А – асинхронный C – специальный О - обдуваемый 5 – номер серии К - производство г. Новая Каховка |
|||||||||
Электродвигатели ВАСО5К полностью взаимозаменяемы с двигателями серий ВАСО2 и ВАСО4, при этом 24-полюсные двигатели ВАСО5К имеют следующие преимущества перед аналога-ми:
• Прямая экономия эксплуатационных расходов потребителя — сosφ на 10-15% выше, чем у ана-логичных двигателей других производителей, что значительно снижает потребляемый ток (так-же на 10-15%).
• Снижение нагрузки на фундамент — масса двигателей снижена на 20-30% по сравнению с ана-логами.
Технические характеристики двигателей приведены в таблице 61.
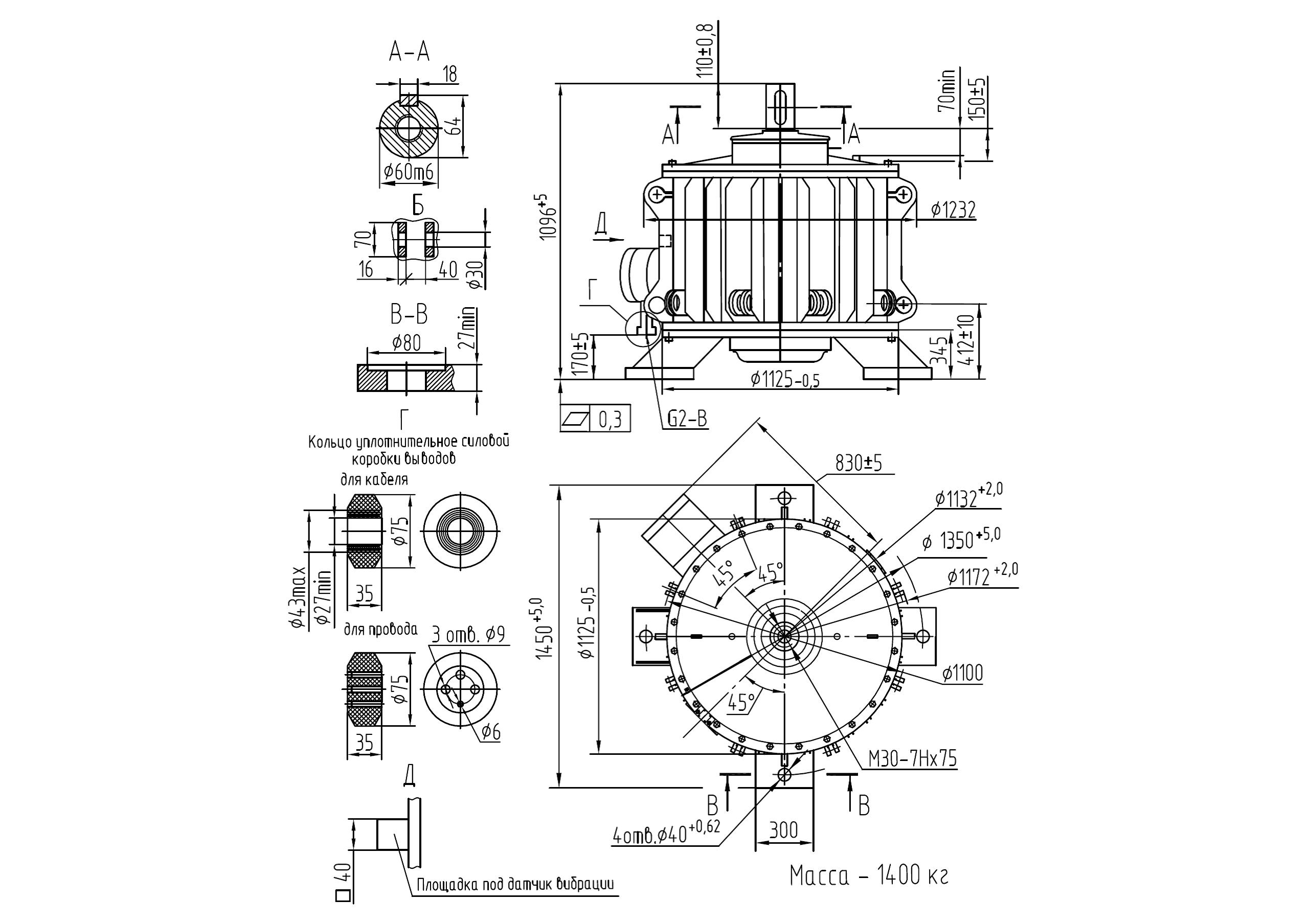
Габаритные, присоединительные размеры и масса двигателей приведены в таблице 62 и на ри-сунке 1.
Габаритные, присоединительные размеры и масса двигателя ВАСО5К-37-24 с цилиндрическим концом вала приведены на рисунке 2.
| Тип двигателя | Мощность, кВт | Напряжение, В | Частота вращения, об/мин | КПД, % | cos φ |
|---|---|---|---|---|---|
| ВАСО5К-37-24 | 37 | 380 | 250 | 90 | 0,7 |
| ВАСО5К-55-24 | 55 | 380 | 250 | 91 | 0,7 |
| ВАСО5К-75-24 | 75 | 380 | 250 | 92 | 0,7 |
| ВАСО5К-90-24 | 90 | 380 | 250 | 92,1 | 0,71 |
| ВАСО5К-30-32 | 30 | 380 | 187,5 | 89,4 | 0,7 |
| ВАСО5К-75-32 | 75 | 380 | 187,5 | 91 | 0,71 |
| Мощность, кВт | |
| Синхронная частота вращения, об/мин | |
| Напряжение, В |
| Тип двигателя | H | h | h1 | h2 | Масса, кг |
|---|---|---|---|---|---|
| ВАСО5К-37-24 | 1400 | 170 ±2 | 345±3 | 412 | 1400 |
| ВАСО5К-55-24 | 1600 | 270 ±2 | 445±3 | 512 | 1600 |
| ВАСО5К-75-24 | 1760 | 270 ±2 | 445±3 | 512 | 1760 |
| ВАСО5К-90-24 | 2000 | 0 | 170±3 | 237 | 2000 |
| ВАСО5К-30-32 | 1500 | 0 | 170±3 | 237 | 1500 |
| ВАСО5К-75-32 | 2090 | 0 | 170±3 | 237 | 2090 |