Двигатели синхронные трехфазные серии СДЭ2 предназначены для комплектации преобразовательных агрегатов экскаваторов. По согласованию между потребителем и предприятием-изготовителем могут применяться для комплектации приводов других механизмов.
Двигатели синхронные трехфазные серии СДЭ2 предназначены для комплектации преобразовательных агрегатов экскаваторов. По согласованию между потребителем и предприятием-изготовителем могут применяться для комплектации приводов других механизмов.
Предназначены для работы от сети переменного тока напряжением 6000 В и 10 000 В, частотой 50 Гц.
Структура условного обозначения типа двигателя
СДЭ2-16-36-6У2:
СДЭ2 - обозначение серии
16 - обозначение габарита
36 - длина сердечника статора в сантиметрах
6 - число полюсов
У - климатическое исполнение
2 - категория размещения
Климатическое исполнение: У, ХЛ и Т, категория размещения 2. Параметры двигателей в климатическом исполнении Т подлежат согласованию в каждом конкретном случае с предприятием-изготовителем.
Номинальный режим работы - продолжительный S1, с переменной нагрузкой.
Температура окружающей среды от минус 45˚ до плюс 45˚С для климатического исполнения У и от минус 60˚ до плюс 45˚С для климатического исполнения ХЛ.
Конструктивное исполнение двигателей по способу монтажа IM1102, способ охлаждения ICA21. Степень защиты двигателей IP21, коробки выводов – IP44.
Изоляция обмоток статора и ротора термореактивная класса нагревостойкости “F”.
Двигатели выполнены с самовентиляцией, вход воздуха из помещения через щиты, выброс воздуха вниз под плиту агрегата.
Возбуждение двигателей осуществляется от тиристорных возбудительных устройств. По требованию заказчика возбуждение двигателя может осуществляться от электромашинного возбудителя, который входит либо в тот же преобразовательный агрегат, что и двигатель, либо в отдельный возбудительный агрегат.
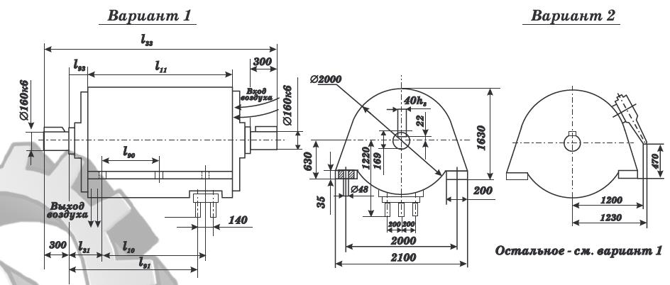
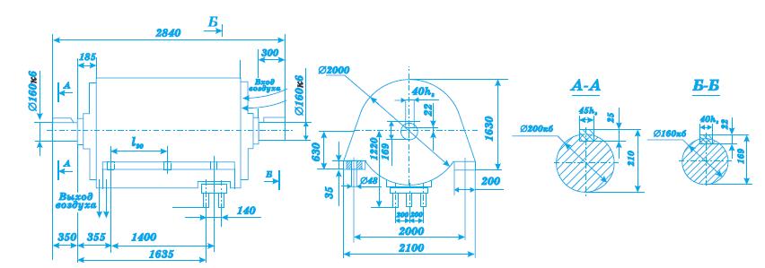
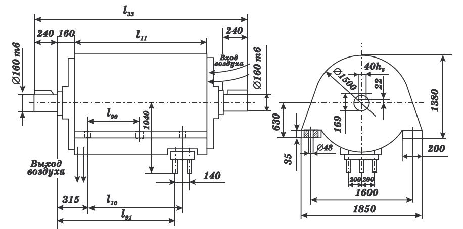
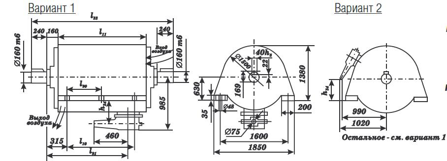
Типы и основные параметры двигателей приведены в таблице 35.
Габаритные, установочные, присоединительные размеры и масса двигателей приведены в таблицах 36, 37, 38, 39.
| Тип двигателя | Мощность, кВт | Напряжение, В | Частота вращения, об/мин | КПД, % | Ммакс / Мном. | Момент инерции ротора, тм2 | Допустимый момент инерции механизма, тм2 |
|---|---|---|---|---|---|---|---|
| СДЭ2-15-34-6У2 | 630 | 6000 | 1000 | 94,5 | 2,1 | 0,048 | 0,12 |
| СДЭ2-16-36-6У2 | 1000 | 6000 | 1000 | 95,5 | 2,1 | 0,102 | 0,88 |
| СДЭ2-16-36-6У2 | 1000 | 6000 | 1000 | 95,5 | 2,1 | 0,102 | 0,88 |
| СДЭ2-16-36-6У2 | 800 | 10000 | 1000 | 94,5 | 2 | 0,102 | 0,88 |
| СДЭ2-16-36-6ХЛ2 | 1000 | 6000 | 1000 | 95,5 | 2,1 | 0,102 | 0,88 |
| СДЭ2-16-36-6ХЛ2 | 1000 | 6000 | 1000 | 95,5 | 2,1 | 0,102 | 0,88 |
| СДЭ2-16-36-6ХЛ2 | 800 | 10000 | 1000 | 94,5 | 2 | 0,102 | 0,88 |
| СДЭ2-16-46-6У2 | 1250 | 6000 | 1000 | 96 | 2,1 | 0,122 | 1 |
| СДЭ2-16-46-6У2 | 1250 | 6000 | 1000 | 96 | 2,1 | 0,122 | 1 |
| СДЭ2-16-46-6У2 | 1000 | 10000 | 1000 | 95 | 2 | 0,122 | 1 |
| СДЭ2-16-46-6ХЛ2 | 1250 | 6000 | 1000 | 96 | 2,1 | 0,122 | 1 |
| СДЭ2-16-46-6ХЛ2 | 1250 | 6000 | 1000 | 96 | 2,1 | 0,122 | 1 |
| СДЭ2-16-46-6ХЛ2 | 1000 | 10000 | 1000 | 95 | 2 | 0,122 | 1 |
| СДЭ2-16-57-6У2 | 1600 | 6000 | 1000 | 96,4 | 2 | 0,142 | 1,13 |
| СДЭ2-16-57-6У2 | 1600 | 6000 | 1000 | 96,4 | 2 | 0,142 | 1,13 |
| СДЭ2-16-57-6У2 | 1250 | 10000 | 1000 | 95,5 | 2 | 0,142 | 1,13 |
| СДЭ2-16-57-6ХЛ2 | 1600 | 6000 | 1000 | 96,4 | 2 | 0,142 | 1,13 |
| СДЭ2-16-57-6ХЛ2 | 1600 | 6000 | 1000 | 96,4 | 2 | 0,142 | 1,13 |
| СДЭ2-16-57-6ХЛ2 | 1250 | 10000 | 1000 | 95,5 | 2 | 0,142 | 1,13 |
| СДЭ2-17-46-6У2 | 2000 | 6000 | 1000 | 96,3 | 2,1 | 0,32 | 1,25 |
| СДЭ2-17-46-6У2 | 2000 | 6000 | 1000 | 96,3 | 2,1 | 0,32 | 1,25 |
| СДЭ2-17-46-6У2 | 1600 | 10000 | 1000 | 95,3 | 2 | 0,32 | 1,25 |
| СДЭ2-17-46-6ХЛ2 | 2000 | 6000 | 1000 | 96,3 | 2,1 | 0,32 | 1,25 |
| СДЭ2-17-46-6ХЛ2 | 1600 | 10000 | 1000 | 95,3 | 2 | 0,32 | 1,25 |
| СДЭ2-17-57-6У2 | 2500 | 6000 | 1000 | 96,4 | 2 | 0,384 | 1,38 |
| СДЭ2-17-57-6У2 | 2000 | 10000 | 1000 | 95,7 | 2 | 0,384 | 1,38 |
| СДЭ2-17-57-6ХЛ2 | 2500 | 6000 | 1000 | 96,4 | 2 | 0,384 | 1,38 |
| СДЭ2-17-57-6ХЛ2 | 2000 | 10000 | 1000 | 95,7 | 2 | 0,384 | 1,38 |
| СДЭ2-17-69-6У2 | 2500 | 10000 | 1000 | 96,2 | 1,9 | 0,445 | 1,5 |
| СДЭ2-17-69-6ХЛ2 | 2500 | 10000 | 1000 | 96,2 | 1,9 | 0,445 | 1,5 |
| СДЭ2-17-69-8У2 | 2500 | 6000 | 750 | 96,2 | 2 | 0,582 | 2,9 |
| СДЭ2-17-69-8У2 | 2250 | 10000 | 750 | 96 | 2 | 0,582 | 2,9 |
| СДЭ2-17-69-8ХЛ2 | 2500 | 6000 | 750 | 96,2 | 2 | 0,582 | 2,9 |
| СДЭ2-17-69-8ХЛ2 | 2250 | 10000 | 750 | 96,6 | 2 | 0,582 | 2,9 |
| Мощность, кВт | |
| Синхронная частота вращения, об/мин | |
| Напряжение, В |
| Тип двигателя | Вариант | l10 | l11 | l33 | l90 | l91 | h34 | Масса, кг |
|---|---|---|---|---|---|---|---|---|
| СДЭ2-16-36-6У2 | 1 | 1000 | 1350 | 2200 | 500 | 1235 | 255 | 6210 |
| СДЭ2-16-36-6У2 | 2 | 1000 | 1350 | 2200 | 500 | 1235 | 500 | 6210 |
| СДЭ2-16-36-6ХЛ2 | 1 | 1000 | 1350 | 2200 | 500 | 1235 | 255 | 6210 |
| СДЭ2-16-36-6ХЛ2 | 2 | 1000 | 1350 | 2200 | 500 | 1235 | 500 | 6210 |
| СДЭ2-16-46-6У2 | 1 | 1120 | 1450 | 2300 | 560 | 1335 | 255 | 6950 |
| СДЭ2-16-46-6У2 | 2 | 1120 | 1450 | 2300 | 560 | 1335 | 500 | 6950 |
| СДЭ2-16-46-6ХЛ2 | 1 | 1120 | 1450 | 2300 | 560 | 1335 | 255 | 6950 |
| СДЭ2-16-46-6ХЛ2 | 2 | 1120 | 1450 | 2300 | 560 | 1335 | 500 | 6950 |
| СДЭ2-16-57-6У2 | 1 | 1250 | 1560 | 2410 | 630 | 1445 | 255 | 7830 |
| СДЭ2-16-57-6У2 | 2 | 1250 | 1560 | 2410 | 630 | 1445 | 500 | 7830 |
| СДЭ2-16-57-6ХЛ2 | 1 | 1250 | 1560 | 2410 | 630 | 1445 | 255 | 7830 |
| СДЭ2-16-57-6ХЛ2 | 2 | 1250 | 1560 | 2410 | 630 | 1445 | 500 | 7830 |