Двигатели асинхронные трехфазного тока с фазным ротором предназначены для комплектации привода механизмов с регулированием частоты вращения и механизмов с тяжелыми условиями пуска (шахтных подъемников, вентиляторов с большими моментами инерции рабочего колеса и др.).
Двигатели асинхронные трехфазного тока с фазным ротором предназначены для комплектации привода механизмов с регулированием частоты вращения и механизмов с тяжелыми условиями пуска (шахтных подъемников, вентиляторов с большими моментами инерции рабочего колеса и др.).
Режим работы – S1 по ГОСТ 183-74.
Степень защиты - IР21 по ГОСТ 17494-87.
Способ охлаждения - IСА01 по ГОСТ20459-87.
Климатическое исполнение и категория размещения - У3 или Т3 по ГОСТ 15150-69.
Технические характеристики двигателей приведены в таблице 87.
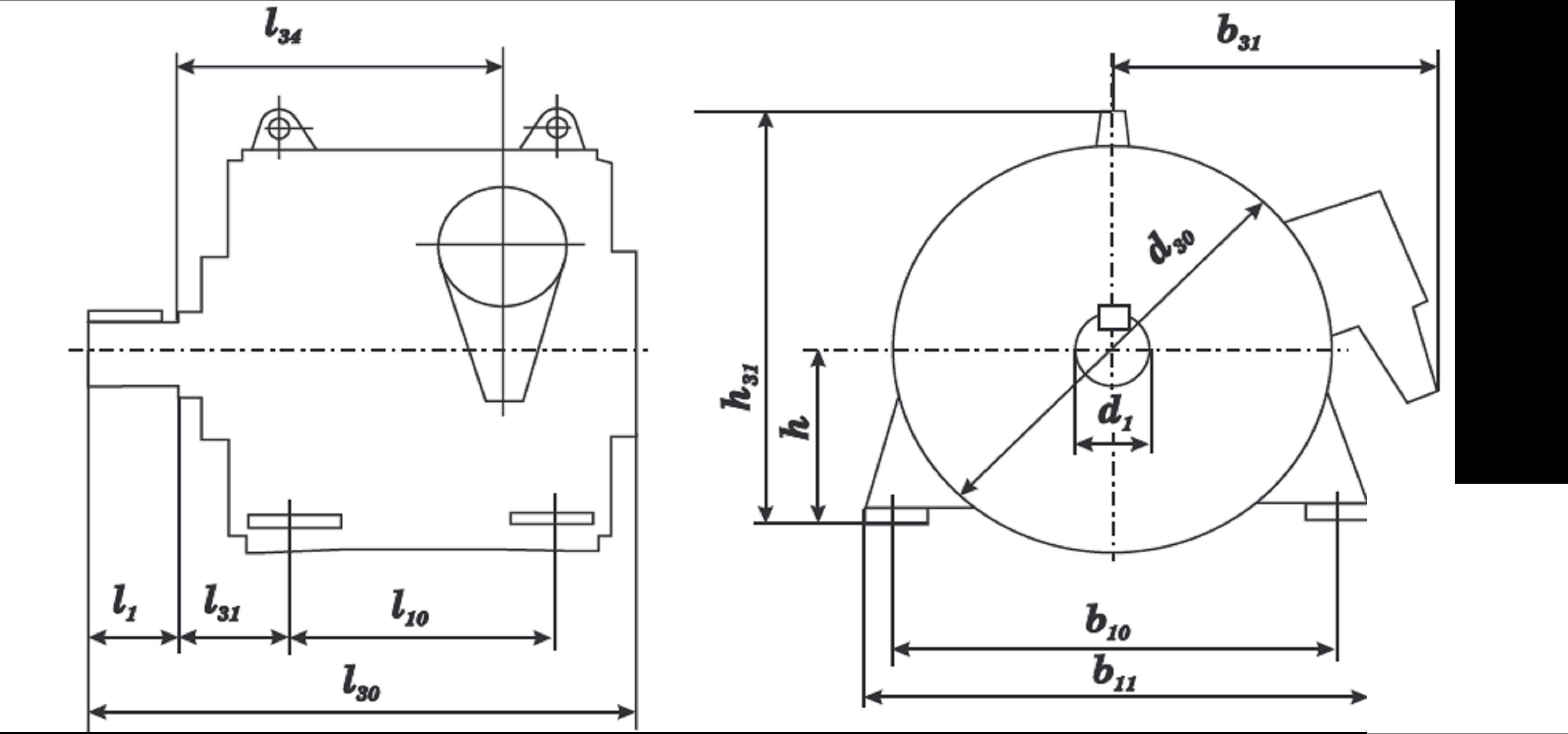
Габаритные, установочные и присоединительные размеры двигателей приведены на рисунке 1 и в таблице 88.
| Тип | Мощность, кВт | Напряжение, В | Синхронная частота вращения, об/мин. | Ммакс. М ном. | Масса, кг |
|---|---|---|---|---|---|
| АКН-4-15-45-10У3 | 630 | 6000 | 600 | 2,3 | 4450 |
| АКН-4-15-45-6У3 | 1000 | 6000 | 1000 | 2,3 | 4500 |
| АКН-4-15-45-8У3 | 800 | 6000 | 750 | 2,3 | 4500 |
| АКН-4-15-57-10У3 | 800 | 6000 | 600 | 2,3 | 5000 |
| АКН-4-15-57-6У3 | 1250 | 6000 | 1000 | 2,3 | 5050 |
| АКН-4-15-57-8У3 | 1000 | 6000 | 750 | 2,3 | 5050 |
| АКН-4-16-33-12У3 | 500 | 6000 | 500 | 2,3 | 4800 |
| АКН-4-16-38-12У3 | 630 | 6000 | 500 | 2,3 | 5100 |
| АКН-4-16-45-10У3 | 1000 | 6000 | 600 | 2,3 | 5600 |
| АКН-4-16-45-12У3 | 800 | 6000 | 500 | 2,3 | 5500 |
| АКН-4-16-45-6У3 | 1600 | 6000 | 1000 | 2,3 | 5900 |
| АКН-4-16-45-8У3 | 1250 | 6000 | 750 | 2,2 | 5800 |
| АКН-4-16-57-10У3 | 1250 | 6000 | 600 | 2,3 | 6300 |
| АКН-4-16-57-6У3 | 2000 | 6000 | 1000 | 2,3 | 6700 |
| АКН-4-16-57-8У3 | 1600 | 6000 | 750 | 2,2 | 6500 |
| АКН-4-16-69-8У3 | 2000 | 6000 | 750 | 2,2 | 7300 |
| АКН-4-17-24-16У3 | 315 | 6000 | 375 | 2,6 | 5450 |
| АКН-4-17-24-16У3 | 400 | 6000 | 375 | 2,3 | 5450 |
| АКН-4-17-28-16У3 | 500 | 6000 | 375 | 2,3 | 5900 |
| АКН-4-17-28-20У3 | 315 | 6000 | 300 | 2,3 | 5900 |
| АКН-4-17-33-16У3 | 630 | 6000 | 375 | 2,3 | 6250 |
| АКН-4-17-33-20У3 | 400 | 6000 | 300 | 2,3 | 6200 |
| АКН-4-17-38-12У3 | 1000 | 6000 | 500 | 2,3 | 7550 |
| АКН-4-17-45-10У3 | 1600 | 6000 | 600 | 2 | 8250 |
| АКН-4-17-45-12У3 | 1250 | 6000 | 500 | 2,3 | 8200 |
| АКН-4-17-57-10У3 | 2000 | 6000 | 600 | 2 | 9450 |
| Мощность, кВт | |
| Синхронная частота вращения, об/мин | |
| Напряжение, В |
| Тип | b10, мм | b11, мм | b31, мм | d1, мм | d30, мм | l1, мм | l10, мм | l30, мм | l31, мм | l34, мм | h, мм | h31, мм |
|---|---|---|---|---|---|---|---|---|---|---|---|---|
| АКН-4-15-45-10У3 | 1400 | 1500 | 900 | 160 | 1300 | 300 | 1120 | 2525 | 355 | 1380 | 500 | 1285 |
| АКН-4-15-45-6У3 | 1400 | 1500 | 900 | 160 | 1300 | 300 | 1120 | 2525 | 355 | 1380 | 500 | 1285 |
| АКН-4-15-45-8У3 | 1400 | 1500 | 900 | 160 | 1300 | 300 | 1120 | 2525 | 355 | 1380 | 500 | 1285 |
| АКН-4-15-57-10У3 | 1400 | 1500 | 900 | 160 | 1300 | 300 | 1250 | 2645 | 355 | 1500 | 500 | 1285 |
| АКН-4-15-57-6У3 | 1400 | 1500 | 900 | 160 | 1300 | 300 | 1250 | 2645 | 355 | 1500 | 500 | 1285 |
| АКН-4-15-57-8У3 | 1400 | 1500 | 900 | 160 | 1300 | 300 | 1250 | 2645 | 355 | 1500 | 500 | 1285 |
| АКН-4-16-33-12У3 | 1500 | 1700 | 995 | 160 | 1500 | 350 | 900 | 2415 | 375 | 1220 | 630 | 1515 |
| АКН-4-16-38-12У3 | 1500 | 1700 | 995 | 200 | 1500 | 350 | 1000 | 2505 | 375 | 1310 | 630 | 1515 |
| АКН-4-16-45-10У3 | 1500 | 1700 | 995 | 200 | 1500 | 350 | 1120 | 2595 | 375 | 1400 | 630 | 1515 |
| АКН-4-16-45-12У3 | 1500 | 1700 | 995 | 200 | 1500 | 350 | 1120 | 2595 | 375 | 1400 | 630 | 1515 |
| АКН-4-16-45-6У3 | 1500 | 1700 | 995 | 200 | 1500 | 350 | 1120 | 2595 | 375 | 1400 | 630 | 1515 |
| АКН-4-16-45-8У3 | 1500 | 1700 | 995 | 200 | 1500 | 350 | 1120 | 2595 | 375 | 1400 | 630 | 1515 |
| АКН-4-16-57-10У3 | 1500 | 1700 | 995 | 200 | 1500 | 350 | 1250 | 2715 | 375 | 1520 | 630 | 1515 |
| АКН-4-16-57-6У3 | 1500 | 1700 | 995 | 200 | 1500 | 350 | 1250 | 2715 | 375 | 1520 | 630 | 1515 |
| АКН-4-16-57-8У3 | 1500 | 1700 | 995 | 200 | 1500 | 350 | 1250 | 2715 | 375 | 1520 | 630 | 1515 |
| АКН-4-16-69-8У3 | 1500 | 1700 | 995 | 200 | 1500 | 350 | 1400 | 2855 | 375 | 1660 | 630 | 1515 |
| АКН-4-17-24-16У3 | 1800 | 2000 | 1135 | 200 | 1800 | 350 | 800 | 2295 | 375 | 1100 | 630 | 1665 |
| АКН-4-17-24-16У3 | 1800 | 2000 | 1135 | 200 | 1800 | 350 | 800 | 2295 | 375 | 1100 | 630 | 1665 |
| АКН-4-17-28-16У3 | 1800 | 2000 | 1135 | 200 | 1800 | 350 | 800 | 2335 | 375 | 1140 | 630 | 1665 |
| АКН-4-17-28-20У3 | 1800 | 2000 | 1135 | 200 | 1800 | 350 | 800 | 2335 | 375 | 1140 | 630 | 1665 |
| АКН-4-17-33-16У3 | 1800 | 2000 | 1135 | 200 | 1800 | 350 | 900 | 2415 | 375 | 1220 | 630 | 1665 |
| АКН-4-17-33-20У3 | 1800 | 2000 | 1135 | 200 | 1800 | 350 | 900 | 2415 | 375 | 1220 | 630 | 1665 |
| АКН-4-17-38-12У3 | 1800 | 2000 | 1135 | 200 | 1800 | 350 | 1000 | 2505 | 375 | 1310 | 630 | 1665 |
| АКН-4-17-45-10У3 | 1800 | 2000 | 1135 | 200 | 1800 | 350 | 1120 | 2595 | 375 | 1400 | 630 | 1665 |
| АКН-4-17-45-12У3 | 1800 | 2000 | 1135 | 200 | 1800 | 350 | 1120 | 2595 | 375 | 1400 | 630 | 1665 |
| АКН-4-17-57-10У3 | 1800 | 2000 | 1135 | 200 | 1800 | 350 | 1250 | 2715 | 375 | 1520 | 630 | 1665 |