Электродвигатели переменного тока с фазным ротором серии АК, АКЗ предназначены для при-вода механизмов:
- требующих регулирования частоты вращения (ленточных конвейеров и др.);
- не требующих регулирования частоты вращения, но с тяжелыми условиями пуска (вентилято-ров, цементных и угольных мельниц и др.)
Электродвигатели переменного тока с фазным ротором серии АК, АКЗ предназначены для при-вода механизмов:
- требующих регулирования частоты вращения (ленточных конвейеров и др.);
- не требующих регулирования частоты вращения, но с тяжелыми условиями пуска (вентилято-ров, цементных и угольных мельниц и др.)
Двигатели предназначены для работы от сети переменного тока частотой 50 Гц напряжением 6000 В. За последние несколько лет появилась необходимость в создании ряда низковольтных асин-хронных электродвигателей этих серий. Технические характеристики приведены в таблице 78. Габа-ритные размеры соответствуют габаритам двигателей на напряжение 6000 В.
Номинальный режим работы — продолжительный.
Пуск двигателей серии АК и АКЗ осуществляется как вручную с помощью пускового реостата, так и автоматически с помощью магнитной станции. Пусковой реостат или магнитная станция по требованию заказчика могут поставляться комплектно с электродвигателем.
Двигатели допускают два пуска подряд из холодного состояния или один пуск из горячего со-стояния.
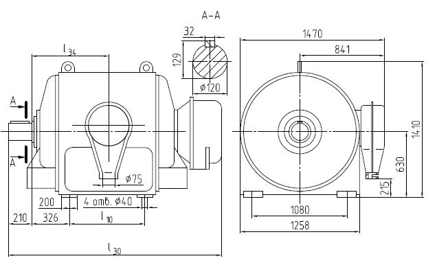
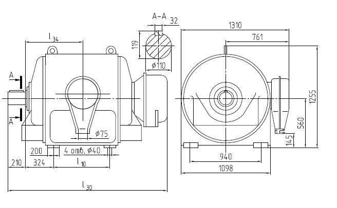
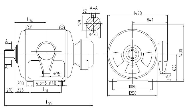
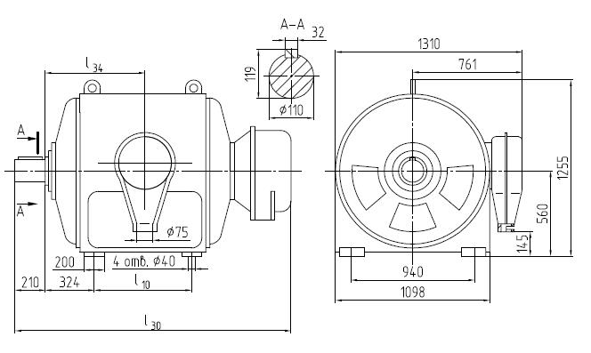
Конструктивное исполнение двигателей по способу монтажа — горизонтальное, без фунда-ментной плиты, с двумя щитовыми подшипниками, с одним свободным концом вала для соединения с рабочим механизмом при помощи полумуфты.
Двигатели серии АК выполняются защищенными. Охлаждение двигателя осуществляется в ре-жиме самовентиляции в закрытых помещениях с нормальной окружающей средой.
Двигатели серии АКЗ выполняются закрытыми. Предназначены для работы с принудительной вентиляцией чистым воздухом в закрытых помещениях с загрязненной средой.
Изоляционные материалы обмотки статора класса нагревостойкости не ниже "В".
Обмотка статора имеет шесть выводных концов, закрепленных на четырех изоляторах в короб-ке выводов. Соединение фаз обмоток — звезда.
Коробка выводов статора располагается с правой стороны, если смотреть на свободный конец вала (левое расположение указывается в заказе).
Двигатели допускают правое и левое направление вращения. Изменение направления вращения осуществляется только из состояния покоя.
Структура условного обозначения:
АК, АКЗ — ХХ-ХХХ-Х-ХХХХ4
АК — асинхронный двигатель с фазным ротором
АКЗ — асинхронный двигатель с фазным ротором закрытый
XX — габарит электродвигателя
XXX — полная длина сердечника статора в см
X — число полюсов
ХХХХ — климатическое исполнение
| Тип двигателя | Мощность, кВт | Напряжение, В | Синхронная частота вращения, об/мин | КПД, % | cos φ | Мmax/ Мnom | Соединение обмотки статора |
|---|---|---|---|---|---|---|---|
| АК 12-42-8УХЛ4 | 250 | 380 | 750 | 92,5 | 0,86 | 1,8 | Y |
| АКЗ 12-49-6УХЛ4 | 500 | 380 | 1000 | 94 | 0,89 | 2,2 | Y |
| Тип двигателя | Мощность, кВт | Частота вращения (синх.), об/мин | КПД, % | cos φ | cos φ |
|---|---|---|---|---|---|
| АК12-32-4УХЛ4 | 400 | 1500 | 93,5 | 0,89 | 2,3 |
| АК12-35-6УХЛ4 | 250 | 1000 | 92 | 0,85 | 2,2 |
| АК12-35-8УХЛ4 | 200 | 750 | 91,5 | 0,81 | 2,3 |
| АК12-39-6УХЛ4 | 320 | 1000 | 92,5 | 0,86 | 2,3 |
| АК12-41-4УХЛ4 | 500 | 1500 | 93,5 | 0,89 | 2,7 |
| АК12-42-10УХЛ4 | 200 | 600 | 91 | 0,79 | 2,4 |
| АК12-42-8УХЛ4 | 250 | 750 | 92,5 | 0,86 | 1,8 |
| АК12-42-8УХЛ4 | 250 | 750 | 92 | 0,83 | 2,1 |
| АК12-49-6УХЛ4 | 400 | 1000 | 93 | 0,87 | 2,2 |
| АК12-52-10УХЛ4 | 250 | 600 | 91,5 | 0,8 | 2,3 |
| АК12-52-4УХЛ4 | 630 | 1500 | 94 | 0,89 | 2,4 |
| АК12-52-8УХЛ4 | 320 | 750 | 92,5 | 0,83 | 2,1 |
| АК13-37-6УХЛ4 | 500 | 1000 | 93,5 | 0,87 | 2 |
| АК13-42-10УХЛ4 | 320 | 600 | 92 | 0,82 | 1,9 |
| АК13-42-12УХЛ4 | 200 | 500 | 91 | 0,76 | 2,2 |
| АК13-42-8УХЛ4 | 400 | 750 | 93 | 0,84 | 2 |
| АК13-46-4УХЛ4 | 800 | 1500 | 94 | 0,9 | 2,4 |
| АК13-46-6УХЛ4 | 630 | 1000 | 94 | 0,88 | 2 |
| АК13-52-10УХЛ4 | 400 | 600 | 92,5 | 0,83 | 1,8 |
| АК13-52-12УХЛ4 | 250 | 500 | 91,5 | 0,77 | 2,1 |
| АК13-52-8УХЛ4 | 500 | 750 | 93,5 | 0,84 | 1,9 |
| АК13-59-4УХЛ4 | 1000 | 1500 | 94,5 | 0,9 | 2,8 |
| АК13-59-6УХЛ4 | 800 | 1000 | 94 | 0,88 | 2,1 |
| АК13-62-10УХЛ4 | 500 | 600 | 93 | 0,84 | 1,9 |
| АК13-62-12УХЛ4 | 320 | 500 | 92 | 0,78 | 2 |
| АК13-62-8УХЛ4 | 630 | 750 | 93,5 | 0,85 | 2 |
| Тип двигателя | Мощность, кВт | Частота вращения (синх.), об/ мин | КПД, % | cos φ | Мmах/Mnom |
|---|---|---|---|---|---|
| АКЗ12-49-6УХЛ4 | 500 | 1000 | 94 | 0,89 | 2,2 |
| АКЗ12-32-4УХЛ4 | 400 | 1500 | 93,5 | 0,89 | 2,3 |
| АКЗ12-35-6УХЛ4 | 250 | 1000 | 92 | 0,85 | 2,2 |
| АКЗ12-35-8УХЛ4 | 200 | 750 | 91,5 | 0,81 | 2,3 |
| АКЗ12-39-6УХЛ4 | 320 | 1000 | 92,5 | 0,86 | 2,3 |
| АКЗ12-41-4УХЛ4 | 500 | 1500 | 93,5 | 0,89 | 2,7 |
| АКЗ12-42-10УХЛ4 | 200 | 600 | 91 | 0,79 | 2,4 |
| АКЗ12-42-8УХЛ4 | 250 | 750 | 92 | 0,83 | 2,1 |
| АКЗ12-49-6УХЛ4 | 400 | 1000 | 93 | 0,87 | 2,2 |
| АКЗ12-52-10УХЛ4 | 250 | 600 | 91,5 | 0,8 | 2,3 |
| АКЗ12-52-4УХЛ4 | 630 | 1500 | 94 | 0,89 | 2,4 |
| АКЗ12-52-8УХЛ4 | 320 | 750 | 92,5 | 0,83 | 2,1 |
| АКЗ13-37-6УХЛ4 | 500 | 1000 | 93,5 | 0,87 | 2 |
| АКЗ13-42-10УХЛ4 | 320 | 600 | 92 | 0,82 | 1,9 |
| АКЗ13-42-12УХЛ4 | 200 | 500 | 91 | 0,76 | 2,2 |
| АКЗ13-42-8УХЛ4 | 400 | 750 | 93 | 0,84 | 2 |
| АКЗ13-46-4УХЛ4 | 800 | 1500 | 94 | 0,9 | 2,4 |
| АКЗ13-46-6УХЛ4 | 630 | 1000 | 94 | 0,88 | 2 |
| АКЗ13-52-10УХЛ4 | 400 | 600 | 92,5 | 0,83 | 1,8 |
| АКЗ13-52-12УХЛ4 | 250 | 500 | 91,5 | 0,77 | 2,1 |
| АКЗ13-52-8УХЛ4 | 500 | 750 | 93,5 | 0,84 | 1,9 |
| АКЗ13-59-4УХЛ4 | 1000 | 1500 | 94,5 | 0,9 | 2,8 |
| АКЗ13-59-6УХЛ4 | 800 | 1000 | 94 | 0,88 | 2,1 |
| АКЗ13-62-10УХЛ4 | 500 | 600 | 93 | 0,84 | 1,9 |
| АКЗ13-62-12УХЛ4 | 320 | 500 | 92 | 0,78 | 2 |
| АКЗ13-62-8УХЛ4 | 630 | 750 | 93,5 | 0,85 | 2 |
| АКЗ 12-49-6УХЛ4 | 500 | 1000 | 94 | 0,89 | 2,2 |
| Мощность, кВт | |
| Синхронная частота вращения, об/мин | |
| Напряжение, В |
| Тип двигателя | l10, мм | l30, мм | l34, мм | Масса, кг |
|---|---|---|---|---|
| АК12-32-4УХЛ4 | 480 | 1730 | 564 | 2450 |
| АК12-35-6УХЛ4 | 580 | 1830 | 614 | 2480 |
| АК12-35-8УХЛ4 | 480 | 1730 | 564 | 2430 |
| АК12-39-6УХЛ4 | 580 | 1830 | 614 | 2500 |
| АК12-41-4УХЛ4 | 580 | 1830 | 614 | 2770 |
| АК12-42-10УХЛ4 | 480 | 1730 | 564 | 2500 |
| АК12-42-8УХЛ4 | 580 | 1830 | 614 | 2810 |
| АК12-42-8УХЛ4 | 580 | 1830 | 614 | 2680 |
| АК12-49-6УХЛ4 | 680 | 1930 | 664 | 2980 |
| АК12-52-10УХЛ4 | 580 | 1830 | 614 | 2780 |
| АК12-52-4УХЛ4 | 680 | 1930 | 664 | 3210 |
| АК12-52-8УХЛ4 | 680 | 1930 | 664 | 3040 |
| Тип двигателя | l10, мм | l30, мм | l34, мм | Масса, кг |
|---|---|---|---|---|
| АК13-37-6УХЛ4 | 580 | 1840 | 616 | 3400 |
| АК13-42-10УХЛ4 | 580 | 1840 | 616 | 3500 |
| АК13-42-12УХЛ4 | 580 | 1840 | 616 | 3400 |
| АК13-42-8УХЛ4 | 580 | 1840 | 616 | 3500 |
| АК13-46-4УХЛ4 | 680 | 1940 | 666 | 4000 |
| АК13-46-6УХЛ4 | 680 | 1940 | 666 | 3700 |
| АК13-52-10УХЛ4 | 580 | 1840 | 616 | 3680 |
| АК13-52-12УХЛ4 | 580 | 1840 | 616 | 3870 |
| АК13-52-8УХЛ4 | 680 | 1940 | 666 | 3980 |
| АК13-59-4УХЛ4 | 830 | 2090 | 741 | 4700 |
| АК13-59-6УХЛ4 | 830 | 2090 | 741 | 4450 |
| АК13-62-10УХЛ4 | 680 | 1940 | 666 | 4380 |
| АК13-62-12УХЛ4 | 680 | 1940 | 666 | 4200 |
| АК13-62-8УХЛ4 | 830 | 2090 | 741 | 4620 |
| Тип двигателя | l10, мм | l30, мм | l34, мм | Масса, кг |
|---|---|---|---|---|
| АКЗ12-49-6УХЛ4 | 680 | 1930 | 664 | 3140 |
| АКЗ12-32-4УХЛ4 | 480 | 1730 | 564 | 2500 |
| АКЗ12-35-6УХЛ4 | 580 | 1830 | 614 | 2500 |
| АКЗ12-35-8УХЛ4 | 480 | 1730 | 564 | 2480 |
| АКЗ12-39-6УХЛ4 | 580 | 1830 | 614 | 2570 |
| АКЗ12-41-4УХЛ4 | 580 | 1830 | 614 | 2800 |
| АКЗ12-42-10УХЛ4 | 480 | 1730 | 564 | 2600 |
| АКЗ12-42-8УХЛ4 | 580 | 1830 | 614 | 2700 |
| АКЗ12-49-6УХЛ4 | 680 | 1930 | 664 | 2840 |
| АКЗ12-52-10УХЛ4 | 580 | 1830 | 614 | 3000 |
| АКЗ12-52-4УХЛ4 | 680 | 1930 | 664 | 3250 |
| АКЗ12-52-8УХЛ4 | 680 | 1930 | 664 | 3100 |
| Тип двигателя | l10, мм | l30, мм | l34, мм | Масса, кг |
|---|---|---|---|---|
| АКЗ13-37-6УХЛ4 | 580 | 1840 | 616 | 3240 |
| АКЗ13-42-10УХЛ4 | 580 | 1840 | 616 | 3260 |
| АКЗ13-42-12УХЛ4 | 580 | 1840 | 616 | 3400 |
| АКЗ13-42-8УХЛ4 | 580 | 1840 | 616 | 3540 |
| АКЗ13-46-4УХЛ4 | 680 | 1940 | 666 | 4050 |
| АКЗ13-46-6УХЛ4 | 680 | 1940 | 666 | 3620 |
| АКЗ13-52-10УХЛ4 | 580 | 1840 | 616 | 3660 |
| АКЗ13-52-12УХЛ4 | 580 | 1840 | 616 | 3660 |
| АКЗ13-52-8УХЛ4 | 680 | 1940 | 666 | 4000 |
| АКЗ13-59-4УХЛ4 | 830 | 2090 | 741 | 4650 |
| АКЗ13-59-6УХЛ4 | 830 | 2095 | 741 | 4200 |
| АКЗ13-62-10УХЛ4 | 680 | 1940 | 666 | 4180 |
| АКЗ13-62-12УХЛ4 | 680 | 1940 | 666 | 4100 |
| АКЗ13-62-8УХЛ4 | 830 | 2090 | 741 | 4560 |