Электродвигатели переменного тока с короткозамкнутым ротором серии А, АЗ предназначены для привода механизмов, не требующих регулирования частоты вращения (насосов, вентиляторов и др.).
Электродвигатели переменного тока с короткозамкнутым ротором серии А, АЗ предназначены для привода механизмов, не требующих регулирования частоты вращения (насосов, вентиляторов и др.).
Двигатели предназначены для работы от сети переменного тока частотой 50 Гц напряжением 6000 В. За последние несколько лет появилась необходимость в создании ряда низковольтных асин-хронных электродвигателей этих серий. Технические характеристики приведены в таблице 37. Габа-ритные размеры соответствуют габаритам двигателей на напряжение 6000 В.
Номинальный режим работы — продолжительный.
Пуск двигателей серии А, АЗ прямой, обеспечивается как при номинальном напряжении сети, так и при снижении напряжения сети за время пуска до 0,8 Uном.
Двигатели допускают два пуска подряд из холодного состояния или один пуск из горячего со-стояния.
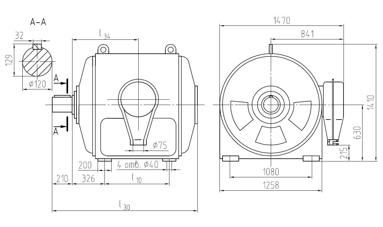
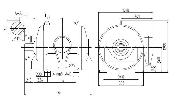
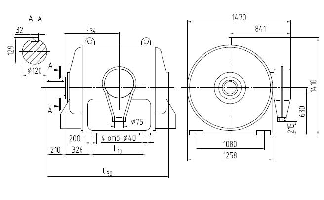
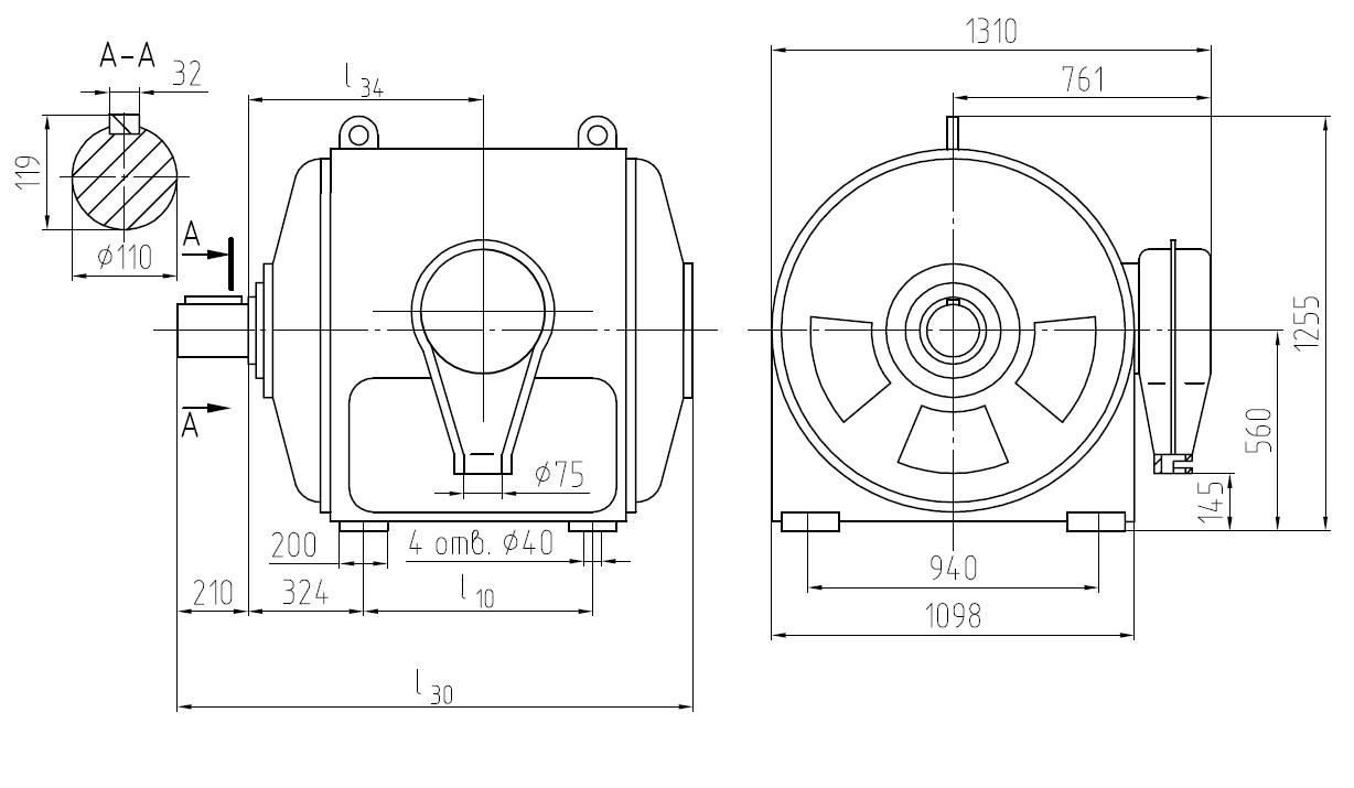
Конструктивное исполнение двигателей по способу монтажа — горизонтальное, без фунда-ментной плиты, с двумя щитовыми подшипниками, с одним свободным концом вала для соединения с рабочим механизмом при помощи полумуфты.
Двигатели серии А выполняются защищенными. Охлаждение двигателя осуществляется в режи-ме самовентиляции в закрытых помещениях с нормальной окружающей средой.
Двигатели серии АЗ выполняются закрытыми. Предназначены для работы с принудительной вентиляцией чистым воздухом в закрытых помещениях с загрязненной средой.
Изоляционные материалы обмотки статора класса нагревостойкости не ниже "В".
Обмотка статора имеет шесть выводных концов, закрепленных на четырех изоляторах в короб-ке выводов. Соединение фаз обмоток — звезда.
Коробка выводов статора располагается с правой стороны, если смотреть на свободный конец вала (левое расположение указывается в заказе).
Двигатели допускают правое и левое направление вращения. Изменение направления вращения осуществляется только из состояния покоя.
Структура условного обозначения:
А, A3 — ХХ-ХХХ-Х-ХХХХ4
А — асинхронный двигатель с короткозамкнутым ротором
A3 — асинхронный двигатель с короткозамкнутым ротором закрытый
XX — габарит электродвигателя
XXX — полная длина сердечника статора в см
X — число полюсов
ХХХХ — климатическое исполнение
| Тип двигателя | Мощность, кВт | Напряжение, В | Синхронная частота вращения, об/мин | КПД, % | cos φ | Мmax/ Мnom | Соединение обмотки ста-тора |
|---|---|---|---|---|---|---|---|
| АЗ 12-39-6УХЛ4 | 400 | 380 | 1000 | 94,3 | 0,86 | 2,3 | Y |
| Мощность, кВт | |
| Синхронная частота вращения, об/мин | |
| Напряжение, В |