Электродвигатели синхронные типа СДКП 4 предназначены для привода компрессоров и рассчитаны на продолжительный режим работы во взрывоопасных зонах помещений всех классов, за исключением наружных установок. Двигатели рассчитаны для работы от сети переменного тока частотой 50 Гц, напряжением 6000В или 10000В в продолжительном режиме.
Электродвигатели синхронные типа СДКП 4 предназначены для привода компрессоров и рассчитаны на продолжительный режим работы во взрывоопасных зонах помещений всех классов, за исключением наружных установок. Двигатели рассчитаны для работы от сети переменного тока частотой 50 Гц, напряжением 6000В или 10000В в продолжительном режиме.
Климатическое исполнение - УХЛ4 по ГОСТ 15150.
Степень защиты: IP44. Двигатели имеют взрывобезопасный уровень взрывозащиты (1), с видом взрывозащиты «заполнение оболочки под избыточным давлением» (р) по ГОСТ 22782.4, (рх) по ГОСТ Р 51330.3, группа электрооборудования II, температурный класс Т5 по ГОСТ 22782.0, ГОСТ Р 51330.0. Маркировка по взрывозащите 1ExpIIТ5 по ГОСТ 12.2.020 для поставки в Украину и 1ExpxIIТ5Х по ГОСТ Р 51330.3, для поставки в Россию.
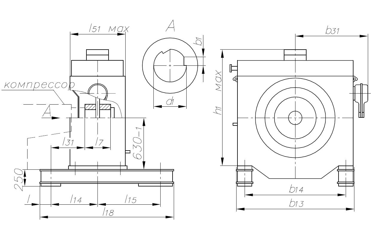
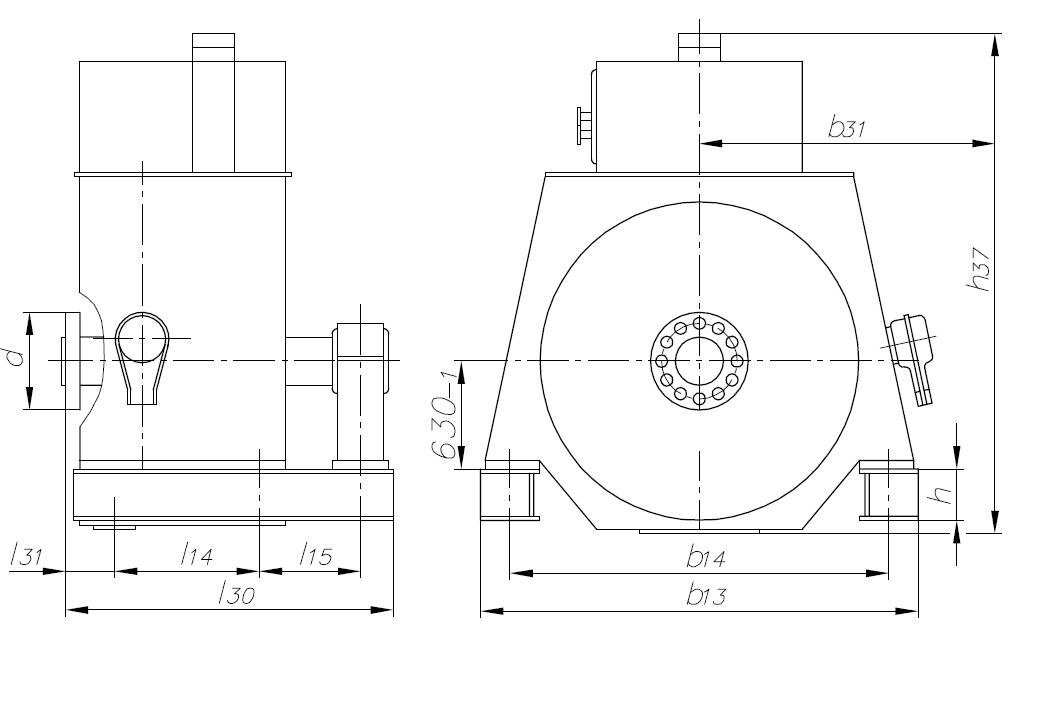
Конструктивное исполнение - IM 5710 (консольное) - для электродвигателей СДКП4-16,17,18; IM 7125 (фланцевое) – для электродвигателей СДКП4-17,18,19.
Возбуждение двигателей осуществляется от тиристорных возбудителей с системой управления и автоматического регулирования тока возбуждения.
Пуск двигателей асинхронный, прямой, от полного напряжения сети с включенным в цепь обмотки возбуждения разрядным сопротивлением.
Изоляционные материалы обмотки статора класса нагревостойкости не ниже "F". Обмотка статора соединяется в "звезду" и имеет шесть концов, выведенных в коробку выводов.
Технические характеристики двигателей приведены в таблице 27.
| Тип двигателя | Мощность, кВт | Напряжение, В | Частота вращения, об/мин | КПД, % |
|---|---|---|---|---|
| СДКП4-16-24-12КУХЛ4 | 315 | 6000 | 500 | 92.2 |
| СДКП4-16-29-12КУХЛ4 | 400 | 6000 | 500 | 93.4 |
| СДКП4-16-36-12КУХЛ4 | 500 | 6000 | 500 | 93.7 |
| СДКП4-16-29-10КУХЛ4 | 500 | 6000 | 500 | 94 |
| ССДКП4-17-26-12КУХЛ4 | 630 | 6000 | 500 | 94 |
| СДКП4-17-31-12КУХЛ4 | 800 | 6000 | 500 | 94.5 |
| СДКП4-18-26-16КУХЛ4 | 800 | 6000 | 375 | 93.8 |
| СДКП4-18-34-16КУХЛ4 | 1000 | 6000 | 375 | 94.6 |
| СДКП4-18-41-16ФУХЛ4 | 1250 | 6000 | 375 | 94.8 |
| СДКП4-19-38-16ФУХЛ4 | 1600 | 6000 | 375 | 95.5 |
| СДКП4-19-41-16ФУХЛ4 | 2000 | 6000 | 375 | 95.6 |
| СДКП4-16-24-12КУХЛ4 | 315 | 10000 | 375 | 92 |
| СДКП4-16-29-12КУХЛ4 | 400 | 10000 | 375 | 93 |
| СДКП4-16-36-12КУХЛ4 | 500 | 10000 | 375 | 93.4 |
| СДКП4-16-29-10КУХЛ4 | 500 | 10000 | 600 | 93.7 |
| СДКП4-17-26-12КУХЛ4 | 630 | 10000 | 500 | 93.8 |
| СДКП4-17-31-12КУХЛ4 | 800 | 10000 | 500 | 94.3 |
| СДКП4-18-26-16КУХЛ4 | 800 | 10000 | 375 | 93.4 |
| СДКП4-18-34-16КУХЛ4 | 1000 | 10000 | 375 | 94.2 |
| СДКП4-18-41-16ФУХЛ4 | 1250 | 10000 | 375 | 94.4 |
| СДКП4-19-41-16ФУХЛ4 | 1600 | 10000 | 375 | 95.4 |
| СДКП4-19-51-16ФУХЛ4 | 2000 | 10000 | 375 | 95.5 |
| Мощность, кВт | |
| Синхронная частота вращения, об/мин | |
| Напряжение, В |