Двигатели синхронные типа СДК(3)4 предназначены для привода поршневых компрессоров и рассчитаны для работы от сети переменного тока частотой 50 Гц напряжением 6000В или 10000В в продолжительном режиме S1
Двигатели синхронные типа СДК(3)4 предназначены для привода поршневых компрессоров и рассчитаны для работы от сети переменного тока частотой 50 Гц напряжением 6000В ( или по согласованию с заказчиком 10000В в продолжительном режиме S1).
Климатическое исполнение - УХЛ4 по ГОСТ 15150.
Степень защиты для двигателей СДК 4 - IP11, СДКЗ 4 - IP44.
Конструктивное исполнение - IM 5710 (консольное), для двигателей СДК(З)4-17-39-12Ф, СДК(З)4-19-41-16Ф, СДК(З)4-19-38-16Ф - IM 7125 (фланцевое).
По требованию заказчика двигатели могут быть укомплектованы магнитожидкостными герметизаторами (МЖГ) для улучшения уплотнения подшипников.
Возбуждение двигателей осуществляется от тиристорных возбудителей с автоматическим регулированием тока возбуждения.
Пуск двигателей асинхронный, прямой, от полного напряжения сети с включенным в цепь обмотки возбуждения разрядным сопротивлением.
Двигатели допускают два пуска подряд из холодного состояния или один пуск из горячего состояния. Интервал между последующими пусками не менее двух часов.
Изоляционные материалы обмотки статора класса нагревостойкости не ниже "F" по ГОСТ 8865.
Обмотка статора соединяется в "звезду" и имеет шесть концов, выведенных в коробку выводов.
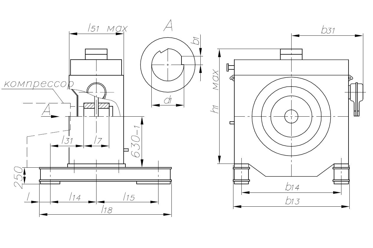
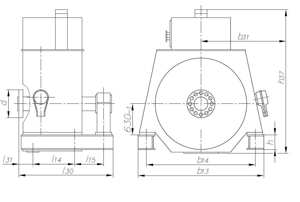
Технические характеристики двигателей приведены в таблице 23, габаритные и присоединительные размеры на рисунках и в таблицах 24, 25 и 26.
| Тип двигателя | Мощность, кВт | Частота вращения, об/мин | КПД, % |
|---|---|---|---|
| СДК 4-16-24-10КУХЛ4 | 400 | 600 | 93.9 |
| СДК 4-16-44-10КУХЛ4 | 800 | 600 | 96 |
| СДКЗ 4-16-44-10КУХЛ4 | 800 | 600 | 96 |
| СДК 4-16-24-12КУХЛ4 | 315 | 500 | 92.3 |
| СДК 4-17-26-12КУХЛ4 | 630 | 500 | 94.5 |
| СДК 4-17-26-16КУХЛ4 | 500 | 375 | 93.5 |
| СДК 4-18-26-16КУХЛ4 | 800 | 375 | 93.4 |
| СДКЗ 4-18-26-16КУХЛ4 | 800 | 375 | 93.4 |
| СДК 4-18-34-16КУХЛ4 | 1000 | 375 | 94.2 |
| СДКЗ 4-18-34-16КУХЛ4 | 1000 | 375 | 94.2 |
| СДК 4-18-41-16ФУХЛ4 | 1250 | 375 | 94.4 |
| СДКЗ 4-18-41-16ФУХЛ4 | 1250 | 375 | 94.4 |
| СДК 4-19-39-16ФУХЛ4 | 1600 | 375 | 95.4 |
| СДКЗ 4-19-39-16ФУХЛ4 | 1600 | 375 | 95.4 |
| СДК 4-19-41-16ФУХЛ4 | 2000 | 375 | 95.8 |
| СДКЗ 4-19-41-16ФУХЛ4 | 2000 | 375 | 95.8 |
| СДКЗ 4-17-26-16КУХЛ4 | 500 | 375 | 93.5 |
| СДКЗ 4-17-26-12КУХЛ4 | 630 | 500 | 94.5 |
| СДКЗ 4-16-24-12КУХЛ4 | 315 | 500 | 92.3 |
| СДКЗ 4-16-24-10КУХЛ4 | 400 | 600 | 93.9 |
| Мощность, кВт | |
| Синхронная частота вращения, об/мин | |
| Напряжение, В |
| Тип двигателя | Напряжение, В | l7, мм | l14, мм | l18, мм | l31, мм | l51, мм | b1, мм | b13, мм | b14, мм | b31, мм | d1, мм | h1, мм | Масса, кг |
|---|---|---|---|---|---|---|---|---|---|---|---|---|---|
| СДК 4-16-24-10КУХЛ4 | 6000 | 150 | 1060±2 | 1320 | 375 | 925 | 44.9 | 1550 | 1350±2 | 995 | Ø180H | 1400 | 2570 |
| СДК 4-16-44-10КУХЛ4 | 6000 | 1120±2 | 200 | 270 | 1100 | 44.9 | 1550 | 1350±2 | 995 | Ø180H | 1400 | 3790 | |
| СДК 4-16-24-12КУХЛ4 | 6000 | 150 | 1060±2 | 1320 | 375 | 925 | 44.9 | 1550 | 1350±2 | 995 | Ø180H | 1400 | 2480 |
| СДК 4-17-26-12КУХЛ4 | 6000 | 200 | 1060±2 | 1320<sup>+10 | 400 | 1000 | 44.9 | 1850<sup>+10 | 1650±2 | 1145 | Ø180H | 1630 | 3600 |
| СДК 4-17-26-16КУХЛ4 | 6000 | 200 | 1060±2 | 1320<sup>+10 | 1000 | 44.9 | 1850<sup>+10 | 1650±2 | 1145 | Ø180H | 1630 | 3900 | |
| СДК 4-16-44-10КУХЛ4 | 10000 | 1120±2 | 200 | 270 | 1100 | 44.9 | 1550 | 1350±2 | 1086 | Ø180H | 1400 | 3820 | |
| СДК 4-16-24-12КУХЛ4 | 1000 | 150 | 1060±2 | 1320 | 375 | 925 | 44.9 | 1550 | 1350±2 | 995 | Ø180H | 1400 | 2510 |
| СДК 4-17-26-16КУХЛ4 | 10000 | 200 | 1060±2 | 1320<sup>+10 | 1000 | 44.9 | 1850<sup>+10 | 1650±2 | 1236 | Ø180H | 1630 | 3950 | |
| СДК 4-16-24-10КУХЛ4 | 10000 | 150 | 1060±2 | 1320 | 375 | 925 | 44.9 | 1550 | 1350±2 | 1086 | Ø180H | 1400 | 2600 |
| СДК 4-17-26-12КУХЛ4 | 10000 | 200 | 1060±2 | 1320<sup>+10 | 400 | 1000 | 44.9 | 1850<sup>+10 | 1650±2 | 1236 | Ø180H | 1630 | 3650 |
| Тип двигателя | Напряжение, В | l7, мм | l14, мм | l18, мм | l31, мм | l51, мм | b1, мм | b13, мм | b14, мм | b31, мм | d1, мм | h, мм | h1, мм | Масса, кг |
|---|---|---|---|---|---|---|---|---|---|---|---|---|---|---|
| СДКЗ 4-16-24-10КУХЛ4 | 10000 | 150 | 1160±2 | 1600 | 270 | 1000 | 44.9 | 1550 | 1350±2 | 1086 | Ø180H | 120 | 1870 | 3330 |
| СДКЗ 4-16-44-10КУХЛ4 | 6000 | 200 | 1120±2 | 2000 | 375 | 1200 | 44.9 | 1550 | 1350±2 | 995 | Ø180H | 120 | 1870 | 5400 |
| СДКЗ 4-16-24-12КУХЛ4 | 10000 | 150 | 1160±2 | 1600 | 270 | 1000 | 44.9 | 1550 | 1350±2 | 1086 | Ø180H | 120 | 1870 | 3690 |
| СДКЗ 4-17-26-12КУХЛ4 | 10000 | 200 | 1160±2 | 1600 | 400 | 1000 | 44.9 | 1850 | 1650±2 | 1236 | Ø180H | 230 | 2100 | 5200 |
| СДКЗ 4-17-26-16КУХЛ4 | 10000 | 200 | 1160±2 | 1600 | 400 | 1000 | 44.9 | 1850 | 1650±2 | 1236 | Ø180H | 230 | 2100 | 5500 |
| СДКЗ 4-17-26-16КУХЛ4 | 6000 | 200 | 1160±2 | 1600 | 400 | 1000 | 44.9 | 1850 | 1650±2 | 1145 | Ø180H | 230 | 2100 | 5470 |
| СДКЗ 4-17-26-12КУХЛ4 | 6000 | 200 | 1160±2 | 1600 | 400 | 1000 | 44.9 | 1850 | 1650±2 | 1145 | Ø180H | 230 | 2100 | 5170 |
| СДКЗ 4-16-24-12КУХЛ4 | 6000 | 150 | 1160±2 | 1600 | 270 | 1000 | 44.9 | 1550 | 1350±2 | 995 | Ø180H | 120 | 1870 | 3660 |
| СДКЗ 4-16-24-10КУХЛ4 | 6000 | 150 | 1160±2 | 1600 | 270 | 1000 | 44.9 | 1550 | 1350±2 | 995 | Ø180H | 120 | 1870 | 3330 |
| СДКЗ 4-16-44-10КУХЛ4 | 10000 | 200 | 1120±2 | 2000 | 375 | 1200 | 44.9 | 1550 | 1350±2 | 1086 | Ø180H | 120 | 1870 | 5430 |