Двигатели асинхронные трехфазного тока с коротко- замкнутым ротором предназначены для привода механизмов, не требующих регулирования частоты вращения (насосов, вентиляторов с нор-мальным моментом инерции).
Двигатели асинхронные трехфазного тока с коротко- замкнутым ротором предназначены для привода механизмов, не требующих регулирования частоты вращения (насосов, вентиляторов с нор-мальным моментом инерции).
Режим работы - S1 по ГОСТ 183-74.
Степень защиты - IР21 по ГОСТ 17494-87.
Способ охлаждения - IСА01 по ГОСТ20459-87
Климатическое исполнение и категория размещения - УЗ или Т3 по ГОСТ 15150-69.
Технические характеристики двигателей приведены в таблице 30.
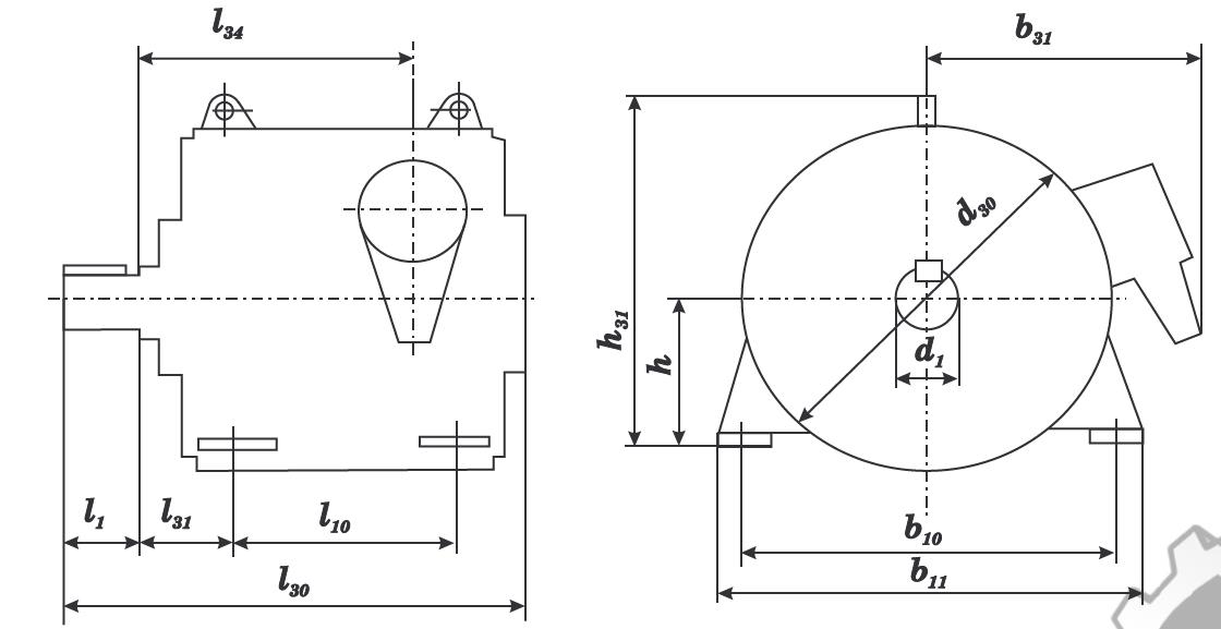
Габаритные установочные и присоединительные размеры двигателей приведены на рисунке 1 и в таблице 31.
| Тип двигателя | Мощность, кВт | Напряжение, В | Синхронная частота вращения, об/ мин. | Ммакс. М ном. | Масса, кг |
|---|---|---|---|---|---|
| АН-4-15-45-10У3 | 630 | 6000 | 600 | 1,9 | 4000 |
| АН-4-15-45-6У3 | 1000 | 6000 | 1000 | 2,3 | 4200 |
| АН-4-15-45-8У3 | 800 | 6000 | 750 | 2 | 4100 |
| АН-4-15-57-6У3 | 1250 | 6000 | 600 | 2,3 | 4750 |
| АН-4-15-57-10У3 | 800 | 6000 | 1000 | 1,9 | 4800 |
| АН-4-15-57-8У3 | 1000 | 6000 | 750 | 2 | 4800 |
| АН-4-16-33-12У3 | 500 | 6000 | 500 | 2,1 | 4600 |
| АН-4-16-38-12У3 | 630 | 6000 | 500 | 2 | 4900 |
| АН-4-16-45-10У3 | 1000 | 6000 | 600 | 1,9 | 5400 |
| АН-4-16-45-12У3 | 800 | 6000 | 500 | 2 | 5300 |
| АН-4-16-45-6У3 | 1600 | 6000 | 1000 | 2,4 | 5700 |
| АН-4-16-45-8У3 | 1250 | 6000 | 750 | 1,9 | 5600 |
| АН-4-16-57-10У3 | 1250 | 6000 | 600 | 1,9 | 6100 |
| АН-4-16-57-6У3 | 2000 | 6000 | 1000 | 2,4 | 6500 |
| АН-4-16-57-8У3 | 1600 | 6000 | 750 | 1,9 | 6300 |
| АН-4-16-69-8У3 | 2000 | 6000 | 750 | 1,9 | 7100 |
| АН-4-17-28-16У3 | 500 | 6000 | 375 | 2 | 5700 |
| АН-4-17-33-16У3 | 630 | 6000 | 375 | 2 | 6050 |
| АН-4-17-38-12У3 | 1000 | 6000 | 500 | 2,3 | 7300 |
| АН-4-17-45-10У3 | 1600 | 6000 | 600 | 1,9 | 8050 |
| АН-4-17-45-12У3 | 1250 | 6000 | 500 | 2,3 | 8000 |
| АН-4-17-57-10У3 | 2000 | 6000 | 600 | 2 | 9250 |
| Мощность, кВт | |
| Синхронная частота вращения, об/мин | |
| Напряжение, В |
| Тип двигателя | b10, мм | b11, мм | b31, мм | d1, мм | d30, мм | l1, мм | l10, мм | l30, мм | l31, мм | l34, мм | h, мм | h31, мм |
|---|---|---|---|---|---|---|---|---|---|---|---|---|
| АН-4-15-45-10У3 | 1400 | 1500 | 900 | 160 | 1300 | 300 | 1120 | 2000 | 355 | 1380 | 500 | 1285 |
| АН-4-15-45-6У3 | 1400 | 1500 | 900 | 160 | 1300 | 300 | 1120 | 2000 | 355 | 1380 | 500 | 1285 |
| АН-4-15-45-8У3 | 1400 | 1500 | 900 | 160 | 1300 | 300 | 1120 | 2000 | 355 | 1380 | 500 | 1285 |
| АН-4-15-57-6У3 | 1400 | 1500 | 900 | 160 | 1300 | 300 | 1250 | 2120 | 355 | 1500 | 500 | 1285 |
| АН-4-15-57-10У3 | 1400 | 1500 | 900 | 160 | 1300 | 300 | 1250 | 2120 | 355 | 1550 | 500 | 1285 |
| АН-4-15-57-8У3 | 1400 | 1500 | 900 | 160 | 1300 | 300 | 1250 | 2120 | 355 | 1500 | 500 | 1285 |
| АН-4-16-33-12У3 | 1500 | 1700 | 995 | 200 | 1500 | 350 | 900 | 1890 | 375 | 1220 | 630 | 1515 |
| АН-4-16-38-12У3 | 1500 | 1700 | 995 | 200 | 1500 | 350 | 1000 | 1980 | 375 | 1310 | 630 | 1515 |
| АН-4-16-45-10У3 | 1500 | 1700 | 995 | 200 | 1500 | 350 | 1120 | 2070 | 375 | 1400 | 630 | 1515 |
| АН-4-16-45-12У3 | 1500 | 1700 | 995 | 200 | 1500 | 350 | 1120 | 2070 | 375 | 1400 | 630 | 1515 |
| АН-4-16-45-6У3 | 1500 | 1700 | 995 | 200 | 1500 | 350 | 1120 | 2070 | 375 | 1400 | 630 | 1515 |
| АН-4-16-45-8У3 | 1500 | 1700 | 995 | 200 | 1500 | 350 | 1120 | 2070 | 375 | 1400 | 630 | 1515 |
| АН-4-16-57-10У3 | 1500 | 1700 | 995 | 200 | 1500 | 350 | 1250 | 2190 | 375 | 1520 | 630 | 1515 |
| АН-4-16-57-6У3 | 1500 | 1700 | 995 | 200 | 1500 | 350 | 1250 | 2190 | 375 | 1520 | 630 | 1515 |
| АН-4-16-57-8У3 | 1500 | 1700 | 995 | 200 | 1500 | 350 | 1250 | 2190 | 375 | 1520 | 630 | 1515 |
| АН-4-16-69-8У3 | 1500 | 1700 | 995 | 200 | 1500 | 350 | 1400 | 2330 | 375 | 1660 | 630 | 1515 |
| АН-4-17-28-16У3 | 1800 | 2000 | 1135 | 200 | 1800 | 350 | 800 | 1810 | 375 | 1140 | 630 | 1665 |
| АН-4-17-33-16У3 | 1800 | 2000 | 1135 | 200 | 1800 | 350 | 900 | 1890 | 375 | 1220 | 630 | 1665 |
| АН-4-17-38-12У3 | 1800 | 2000 | 1135 | 200 | 1800 | 350 | 1000 | 1980 | 375 | 1310 | 630 | 1665 |
| АН-4-17-45-10У3 | 1800 | 2000 | 1135 | 200 | 1800 | 350 | 1120 | 2070 | 375 | 1700 | 630 | 1665 |
| АН-4-17-45-12У3 | 1800 | 2000 | 1135 | 200 | 1800 | 350 | 1120 | 2070 | 375 | 1400 | 630 | 1665 |
| АН-4-17-57-10У3 | 1800 | 2000 | 1135 | 200 | 1800 | 350 | 1250 | 2190 | 375 | 1520 | 630 | 1665 |