Двигатели асинхронные трехфазного тока с короткозамкнутым ротором предназначены для привода механизмов, не требующих регулирования частоты вращения (насосов, вентиляторов с нор-мальным моментом инерции).
Двигатели асинхронные трехфазного тока с короткозамкнутым ротором предназначены для привода механизмов, не требующих регулирования частоты вращения (насосов, вентиляторов с нор-мальным моментом инерции).
Режим работы - S1 по ГОСТ 183-74.
Степень защиты - 1Р20 по ГОСТ 17494-87.
Способ охлаждения - I СА01 по ГОСТ20459-87.
Климатическое исполнение и категория размещения - УХЛ4 или 04 по ГОСТ 15150-69.
Технические характеристики двигателей приведены в таблице 28.
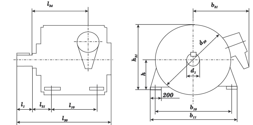
Габаритные установочные и присоединительные размеры на рисунке1 и в таблице 29.
| Тип двигателя | Мощность, кВт | Напряжение, В | Синхронная частота вращения, об/ мин. | Ммакс. М ном. | Масса, кг |
|---|---|---|---|---|---|
| АН-2-15-57-10УХЛ4 | 630 | 6000 | 600 | 2 | 4600 |
| АН-2-15-57-6УХЛ4 | 1000 | 6000 | 1000 | 2,7 | 4800 |
| АН-2-15-57-8УХЛ4 | 800 | 6000 | 750 | 2,2 | 4700 |
| АН-2-15-69-10УХЛ4 | 800 | 6000 | 600 | 2 | 5150 |
| АН-2-15-69-6УХЛ4 | 1250 | 6000 | 1000 | 2,7 | 5450 |
| АН-2-15-69-8УХЛ4 | 1000 | 6000 | 750 | 2,2 | 5250 |
| АН-2-16-39-12УХЛ4 | 500 | 6000 | 500 | 2,3 | 5530 |
| АН-2-16-48-12УХЛ4 | 630 | 6000 | 500 | 2,3 | 6200 |
| АН-2-16-57-10УХЛ4 | 1000 | 6000 | 600 | 2,1 | 6700 |
| АН-2-16-57-12УХЛ4 | 800 | 6000 | 500 | 2,4 | 6700 |
| АН-2-16-57-6УХЛ4 | 1600 | 6000 | 1000 | 2,1 | 7400 |
| АН-2-16-57-8УХЛ4 | 1250 | 6000 | 750 | 1,9 | 7250 |
| АН-2-16-69-10УХЛ4 | 1250 | 6000 | 600 | 2,1 | 7650 |
| АН-2-16-69-6УХЛ4 | 2000 | 6000 | 1000 | 2,4 | 8000 |
| АН-2-16-69-8УХЛ4 | 1600 | 6000 | 750 | 1,9 | 7500 |
| АН-2-16-83-8УХЛ4 | 2000 | 6000 | 750 | 2 | 9200 |
| АН-2-17-31-16УХЛ4 | 500 | 6000 | 375 | 2 | 5850 |
| АН-2-17-39-16УХЛ4 | 630 | 6000 | 375 | 2 | 6650 |
| АН-2-17-48-12УХЛ4 | 1000 | 6000 | 500 | 2,3 | 8080 |
| АН-2-17-57-10УХЛ4 | 1600 | 6000 | 600 | 2,3 | 8900 |
| АН-2-17-57-12УХЛ4 | 1250 | 6000 | 500 | 2,3 | 8900 |
| АН-2-17-69-10УХЛ4 | 2000 | 6000 | 600 | 2,3 | 10000 |
| Мощность, кВт | |
| Синхронная частота вращения, об/мин | |
| Напряжение, В |
| Тип двигателя | b10, мм | b11, мм | b31, мм | d1, мм | d30, мм | l1, мм | l10, мм | l30, мм | l31, мм | l34, мм | h, мм | h31, мм |
|---|---|---|---|---|---|---|---|---|---|---|---|---|
| АН-2-15-57-10УХЛ4 | 1400 | 1500 | 930 | 160 | 1300 | 300 | 1120 | 2015 | 355 | 1160 | 500 | 1150 |
| АН-2-15-57-6УХЛ4 | 1400 | 1500 | 930 | 160 | 1300 | 300 | 1120 | 2015 | 355 | 1160 | 500 | 1150 |
| АН-2-15-57-8УХЛ4 | 1400 | 1500 | 930 | 160 | 1300 | 300 | 1120 | 2015 | 355 | 1160 | 500 | 1150 |
| АН-2-15-69-10УХЛ4 | 1400 | 1500 | 930 | 160 | 1300 | 300 | 1250 | 2135 | 355 | 1280 | 500 | 1150 |
| АН-2-15-69-6УХЛ4 | 1400 | 1500 | 930 | 160 | 1300 | 300 | 1250 | 2135 | 355 | 1280 | 500 | 1150 |
| АН-2-15-69-8УХЛ4 | 1400 | 1500 | 930 | 160 | 1300 | 300 | 1250 | 2135 | 355 | 1280 | 500 | 1150 |
| АН-2-16-39-12УХЛ4 | 1500 | 1700 | 985 | 200 | 1500 | 350 | 900 | 1905 | 375 | 1000 | 630 | 1380 |
| АН-2-16-48-12УХЛ4 | 1500 | 1700 | 985 | 200 | 1500 | 350 | 1000 | 1995 | 375 | 1090 | 630 | 1380 |
| АН-2-16-57-10УХЛ4 | 1500 | 1700 | 985 | 200 | 1500 | 350 | 1120 | 2085 | 375 | 1180 | 630 | 1380 |
| АН-2-16-57-12УХЛ4 | 1500 | 1700 | 985 | 200 | 1500 | 350 | 1120 | 2085 | 375 | 1180 | 630 | 1380 |
| АН-2-16-57-6УХЛ4 | 1500 | 1700 | 985 | 200 | 1500 | 350 | 1120 | 2085 | 375 | 1180 | 630 | 1380 |
| АН-2-16-57-8УХЛ4 | 1500 | 1700 | 985 | 200 | 1500 | 350 | 1120 | 2085 | 375 | 1180 | 630 | 1380 |
| АН-2-16-69-10УХЛ4 | 1500 | 1700 | 985 | 200 | 1500 | 350 | 1250 | 2205 | 375 | 1300 | 630 | 1380 |
| АН-2-16-69-6УХЛ4 | 1500 | 1700 | 985 | 200 | 1500 | 350 | 1250 | 2205 | 375 | 1300 | 630 | 1380 |
| АН-2-16-69-8УХЛ4 | 1500 | 1700 | 985 | 200 | 1500 | 350 | 1250 | 2205 | 375 | 1300 | 630 | 1380 |
| АН-2-16-83-8УХЛ4 | 1500 | 1700 | 985 | 200 | 1500 | 350 | 1400 | 2345 | 375 | 1440 | 630 | 1380 |
| АН-2-17-31-16УХЛ4 | 1800 | 2000 | 1135 | 200 | 1800 | 350 | 800 | 1825 | 375 | 920 | 630 | 1530 |
| АН-2-17-39-16УХЛ4 | 1800 | 2000 | 1135 | 200 | 1800 | 350 | 900 | 1905 | 375 | 1000 | 630 | 1530 |
| АН-2-17-48-12УХЛ4 | 1800 | 2000 | 1135 | 200 | 1800 | 350 | 1000 | 1995 | 375 | 1090 | 630 | 1530 |
| АН-2-17-57-10УХЛ4 | 1800 | 2000 | 1135 | 200 | 1800 | 350 | 1120 | 2085 | 375 | 1180 | 630 | 1530 |
| АН-2-17-57-12УХЛ4 | 1800 | 2000 | 1135 | 200 | 1800 | 350 | 1120 | 2085 | 375 | 1180 | 630 | 1530 |
| АН-2-17-69-10УХЛ4 | 1800 | 2000 | 1135 | 200 | 1800 | 350 | 1250 | 2205 | 375 | 1300 | 630 | 1530 |