Электродвигатели синхронные СДСЗ-2 предназначены для привода дисковых мельниц, не требующих регулирования частоты вращения и рассчитаны для работы от сети переменного тока напряжением 6000 В, частотой 50 Гц, в продолжительном режиме S1, сos φ = 0,9 (опережающий).
Электродвигатели синхронные СДСЗ-2 предназначены для привода дисковых мельниц, не требующих регулирования частоты вращения и рассчитаны для работы от сети переменного тока напряжением 6000 В, частотой 50 Гц, в продолжительном режиме S1, сos φ = 0,9 (опережающий).
Климатическое исполнение: УХЛ4 по ГОСТ 15150.
Степень защиты двигателей - IP43; для двигателя СДСЗ-2-17-49-12 – IP54/55/23.
Конструктивное исполнение - М7611 по ГОСТ 2479-79. Двигатели выполняются на упорных подшипниках скольжения и по требованию заказчика двигатели могут быть укомплектованы магнитожидкостными герметизаторами (МЖГ) для улучшения уплотнения подшипника.
Возбуждение двигателей осуществляется от тиристорных возбудителей с системой управления и автоматического регулирования тока возбуждения.
Способ охлаждения – ICW37 А81 по ГОСТ 20459-87 – воздушное, в режиме самовентиляции по замкнутому циклу.
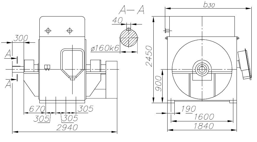
Технические характеристики двигателей приведены в таблице 8.
| Тип двигателя | Мощность, кВт | Частота вращения, об/мин | KПД, % | Масса, кг | l14 | b30 |
|---|---|---|---|---|---|---|
| СДСЗ-2-16-56-10УХЛ4 | 1000 | 600 | 95.1 | 8700 | 1440+3 | 1730 |
| СДСЗ-2-16-59-6УХЛ4 | 1600 | 1000 | 96.2 | 8700 | 1510+3 | 1730 |
| СДСЗ-2-17-49-12УХЛ4 | 1250 | 500 | 95.5 | 11500 | 2425 |
| Мощность, кВт | |
| Синхронная частота вращения, об/мин | |
| Напряжение, В |
| Наименование | Мощность, кВт | Синхронная частота вращения, об/мин | Напряжение, В | |
|
|
ЭЛЕКТРОДВИГАТЕЛИ ТИПА СДМ(З) 2 |