Zkem
0%

ЭЛЕКТРОДВИГАТЕЛИ ТИПА АСВО 15, ВАСВ 17

Описание

Двигатели предназначены для непосредственного (безредукторного) привода вентиляторов гра-дирен и рассчитаны для работы от сети переменного тока напряжением: АСВО15 — 380В; ВАСВ 17 — 6000В, питающей сети  частотой 50 Гц.

Двигатели предназначены для непосредственного (безредукторного) привода вентиляторов гра-дирен и рассчитаны для работы от сети переменного тока напряжением: АСВО15 — 380В; ВАСВ 17 — 6000В, питающей сети  частотой 50 Гц.
Двигатели АСВО15 и ВАСВ 17.
Режим работы продолжительный.
Вид климатического исполнения: У1.
Изоляция обмотки статора термоактивная типа «Монолит 2» класса нагревостойкости «F».
Конструктивное исполнение по способу монтажа:
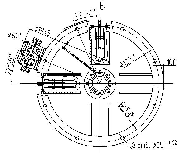
    АСВО 15 — вертикальное — IМ8421;
    ВАСВ 17 —вертикальное —IМ8221.
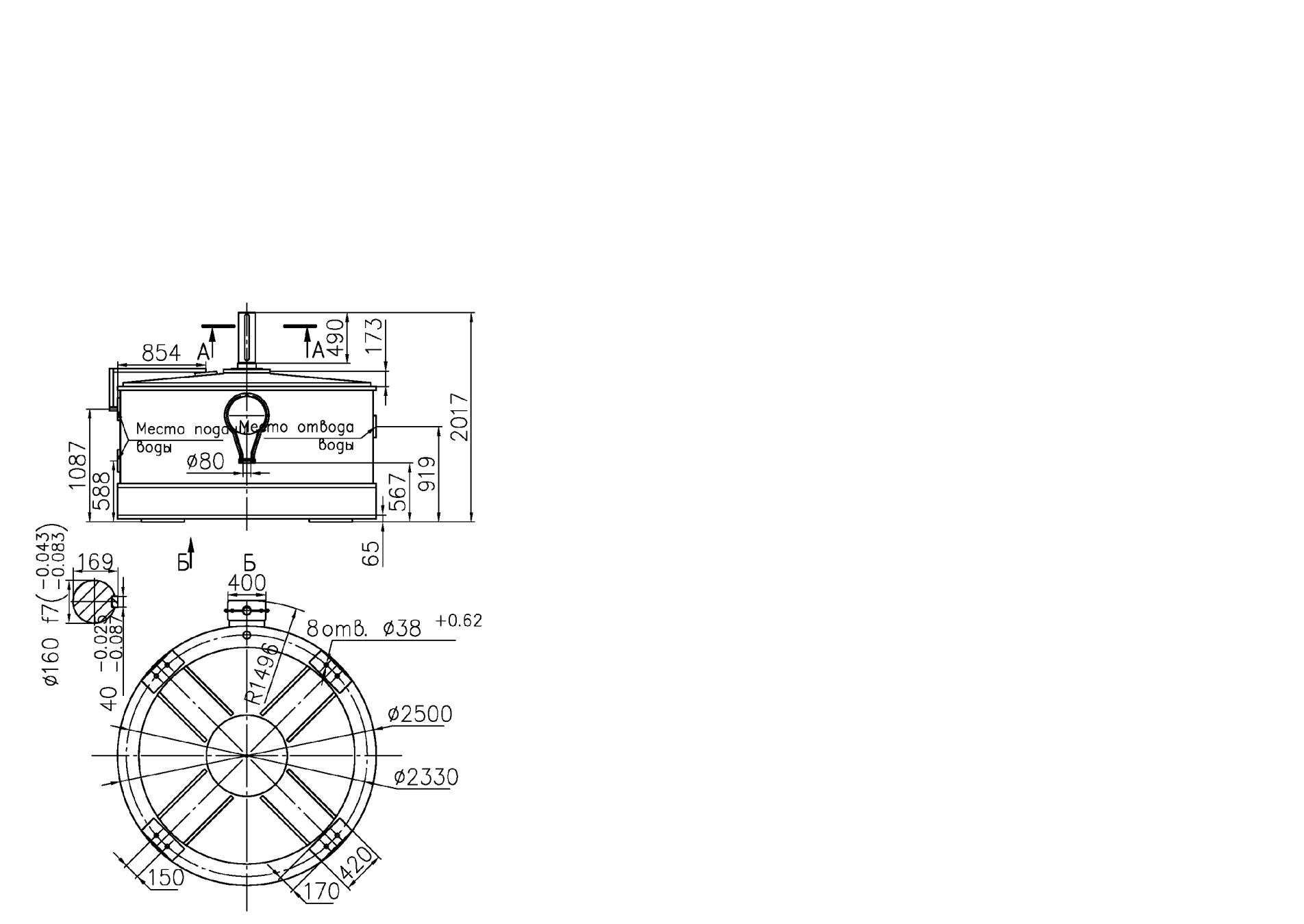
Степень защиты: корпуса и коробки выводов:
АСВО — обдуваемые, со степенью защиты IP44;
ВАСВ — с водяным охлаждением, со степенью защиты IP44.
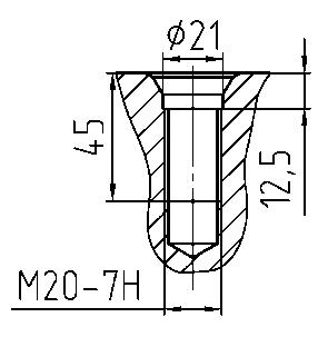
Электродвигатели по линии вала могут комплектоваться по требованию заказчика магнитно-жидкостным уплотнением, предотвращающим проникновение влаги, пыли и т.д. в подшипниковый узел.

Мощность, кВт
Синхронная частота вращения, об/мин
Напряжение, В