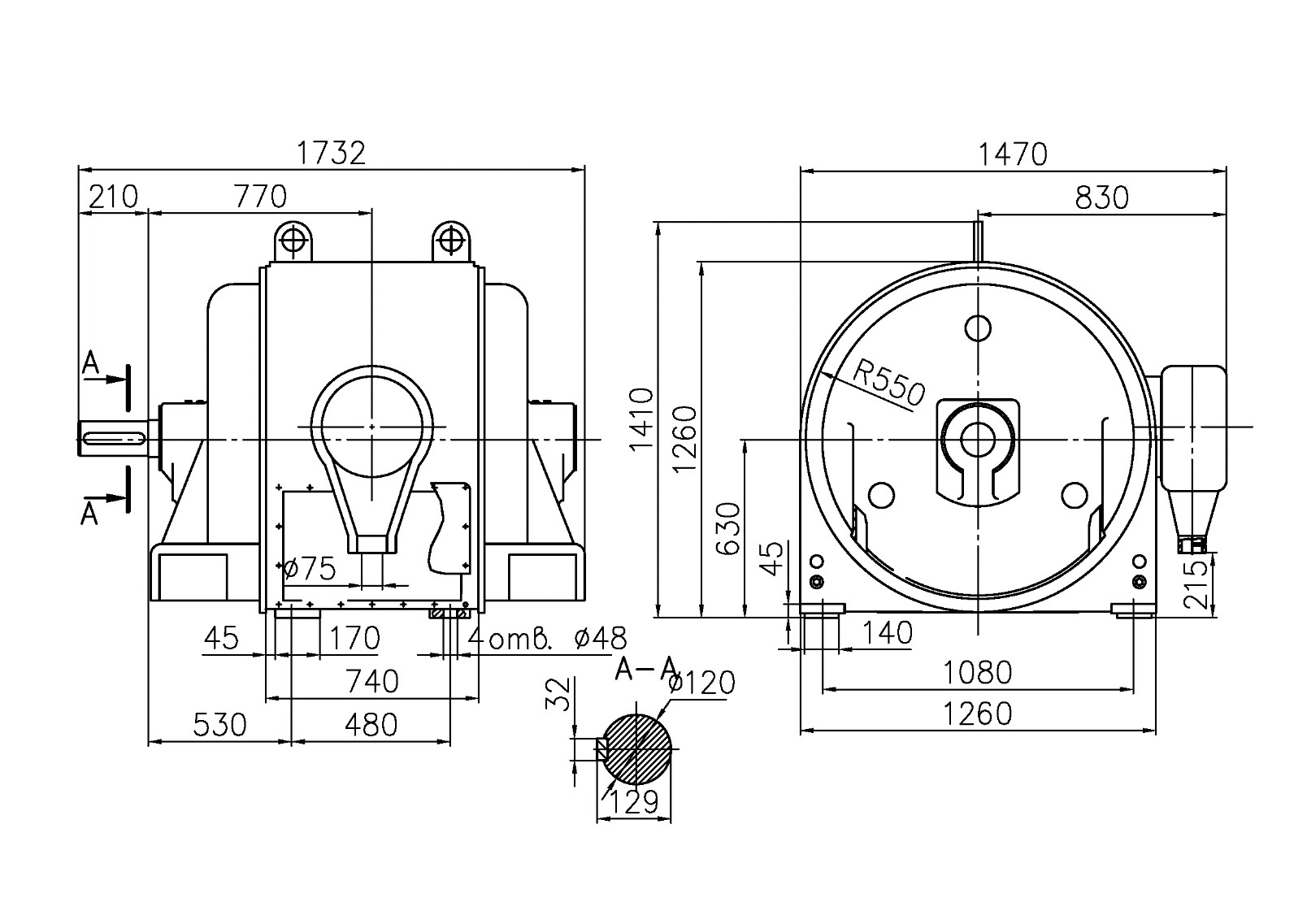
Электродвигатели асинхронные типа АЗД-13-52-12 с короткозамкнутым ротором на подшипни-ках скольжения предназначены для привода дробилок.
Вид климатического исполнения — УХЛ4, Т4. Степень защиты — IP44.
Электродвигатели асинхронные типа АЗД-13-52-12 с короткозамкнутым ротором на подшипни-ках скольжения предназначены для привода дробилок.
Вид климатического исполнения — УХЛ4, Т4. Степень защиты — IP44.
Двигатели предназначены для работы от сети переменного тока частотой 50 Гц напряжением 6000В и 3000В.
Номинальный режим работы двигателей — продолжительный S1.
Пуск двигателей прямой от полного напряжения сети.
Обмотка статора имеет шесть выводных концов, закрепленных на четырех изоляторах в короб-ке выводов. Соединение фаз обмоток — «звезда».
Технические характеристики двигателей приведены в таблице 27.
| Тип двигателя | Мощность, кВт | Частота вращения (синх.), об/мин | KПД, % | cos φ |
|---|---|---|---|---|
| АЗД-13-52- 12УХЛ4 | 250 | 500 | 92,3 | 0,76 |
| Мощность, кВт | |
| Синхронная частота вращения, об/мин | |
| Напряжение, В |