Двигатели асинхронные с короткозамкнутым ротором типа АОДА5 предназначены для про-должительного режима работы S1 от сети переменного тока частотой 50 Гц в составе насосных агре-гатов, поставляемых на АЭС.
Двигатели асинхронные с короткозамкнутым ротором типа АОДА5 предназначены для про-должительного режима работы S1 от сети переменного тока частотой 50 Гц в составе насосных агре-гатов, поставляемых на АЭС.
Двигатели соответствуют стандартам Международной Электротехнической Комиссии (МЭК).
Двигатели изготавливаются на напряжение 6 000 и 10 000 В.
Двигатели выполняются на подшипниках качения, с одним концом вала. Смазка подшипников - жидкостная автономная со встроенными маслоохладителями. Выводные концы выведены в коробку выводов.
Степень защиты двигателей — IP54, коробки выводов IP55
Охлаждение двигателей в режиме самовентиляции. Способ охлаждения двигателей – ICW37А71 по ГОСТ 20459. Охлаждение нагретого воздуха осуществляется одним горизонтальным воздухо-охладителем, расположенным сверху на корпусе двигателя.
Изоляция обмоток двигателей термореактивная типа "Монолит-2" класса нагревостойкости "F" по ГОСТ 8865 с использованием по классу «В».
Структура условного обозначения двигателя:
|
АОДА5 |
- |
ХХХ |
- |
Х |
- |
2 |
- |
ХХХ |
|
Х |
|
|
|
|
|
|
|
|
|
|
|
Категория размещения; |
||
|
Климатическое исполнение и категория размещения; |
|||||||||||
|
|
|
|
|
|
|
Число полюсов; |
|||||
|
|
|
|
|
Напряжение двигателя, кВ; |
|||||||
|
|
|
Номинальная мощность, кВт; |
|||||||||
|
Обозначение: АОДА – асинхронный обдуваемый двигатель для АЭС; 5 – номер серии. |
|||||||||||
Пример записи обозначения двигателя мощностью 800 кВт, напряжением 10000 В, двухполюс-ного, климатического исполнения - УХЛ, категории размещения - 4, частотой питающей сети 50 Гц, левого вращения, с расположением коробки выводов справа при его заказе и в документации другого изделия «Электродвигатель АОДА5-800-10-2УХЛ4, 10000 В, 50 Гц, вращение левое, коробка выво-дов справа по АШГА.528121.006 ТУ»
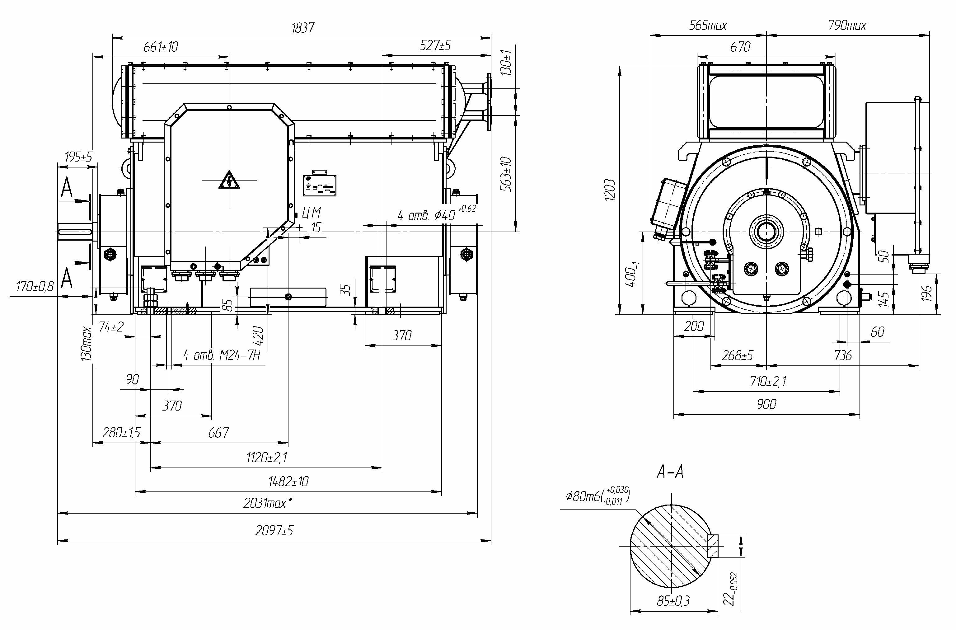
Технические характеристики двигателей приведены в таблице 16. Габаритные и присоедини-тельные размеры на рисунке.
| Тип двигателя | Мощность, кВт | Частота вращения, (синх), об/ мин | KПД, % | cos φ | Ммакс/Mном | Mпуск/Mном | Iпуск/ Iном | Масса, кг |
|---|---|---|---|---|---|---|---|---|
| АОДА5-500-6-2 | 500 | 3000 | 94 | 0,9 | 2,4 | 1,1 | 5,6 | 3050 |
| АОДА5-630-6-2 | 630 | 3000 | 95 | 0,9 | 2,4 | 1 | 6 | 3170 |
| АОДА5-800-6-2 | 800 | 3000 | 95,2 | 0,9 | 2,4 | 1 | 6 | 3400 |
| АОДА5-500-10-2 | 500 | 3000 | 94,3 | 0,9 | 2,5 | 1,2 | 6,1 | 3150 |
| АОДА5-630-10-2 | 630 | 3000 | 94,7 | 0,91 | 2,4 | 1,1 | 5,7 | 3300 |
| АОДА5-800-10-2 | 800 | 3000 | 95 | 0,91 | 2,4 | 1,2 | 5,7 | 3500 |
| Мощность, кВт | |
| Синхронная частота вращения, об/мин | |
| Напряжение, В |