Двигатель асинхронный трехфазного тока серии АКНЗ с фазным ротором предназначен для при-вода механизмов с тяжелыми условиями пуска и механизмов с регулированием частоты вращения (шахтных подъемников, ленточных транспортеров, мельниц и т.п.).
Двигатель асинхронный трехфазного тока серии АКНЗ с фазным ротором предназначен для при-вода механизмов с тяжелыми условиями пуска и механизмов с регулированием частоты вращения (шахтных подъемников, ленточных транспортеров, мельниц и т.п.).
Режим работы двигателей - продолжительный S1. Двигатели допускают работу в повторно-кратковременном режиме с частыми пусками при условии, что среднеквадратическое значение мощ-ности не превышает ее номинального значения.
Степень защиты двигателя - ІР44, коробки выводов – ІР55
Конструктивное исполнение двигателей - IМ1101 (с цилиндрическим концом вала) по ГОСТ 2479-79.
Способ охлаждения - ІСА37 (закрытое исполнение с принудительной вентиляцией) по ГОСТ 20459-87.
Климатическое исполнение и категория размещения – У3 по ГОСТ 15150-69.
Двигатели изготавливаются на подшипниках качения с консистентной смазкой.
Двигатели изготавливаются с правым направлением вращения и допускают левое направление вращение. Изменение направления вращения допускается только из состояния покоя путем переклю-чения обмоток статора.
Изоляция обмотки статора и ротора – термореактивная типа “Монолит–2”, класса нагрево-стойкости “F”.
Обмотка статора имеет 6 выводных концов, которые выведены в коробку выводов и закреплены на четырех изоляторах. Обмотка ротора имеет 3 выводных конца, выведенных в щеточный аппарат. Соединение фаз обмотки статора и ротора – «звезда».
Контроль температуры подшипников и обмотки статора осуществляется термопреобразователя-ми сопротивления (ТС) с НСХ 100П: по одному ТС на подшипниковый узел, 6 ТС для обмотки и 3 для сердечника статора.
Коробки выводов статора и ТС располагаются с правой стороны, если смотреть со стороны рабо-чего конца вала.
Структура условного обозначения двигателей АКНЗ:
|
АКНЗ |
– |
2,4 |
– |
ХХ |
– |
ХХ |
– |
ХХ |
|
Х |
|
Х |
|
|
|
|
|
|
|
|
Категория размещения |
|||||||
|
Климатическое исполнение |
|||||||||||||
|
Число полюсов обмотки статора |
|||||||||||||
|
Длина сердечника статора, см |
|||||||||||||
|
Габарит двигателя (т.е. условное обозначение наружного диаметра сердечника статора) |
|||||||||||||
|
Очередность разработки серий |
|||||||||||||
|
А – асинхронный, К – с контактными кольцами, Н – «нормальный», т.е. основное исполнение по роду монтажа и защищенности, З – закрытое исполнение двигателя |
|||||||||||||
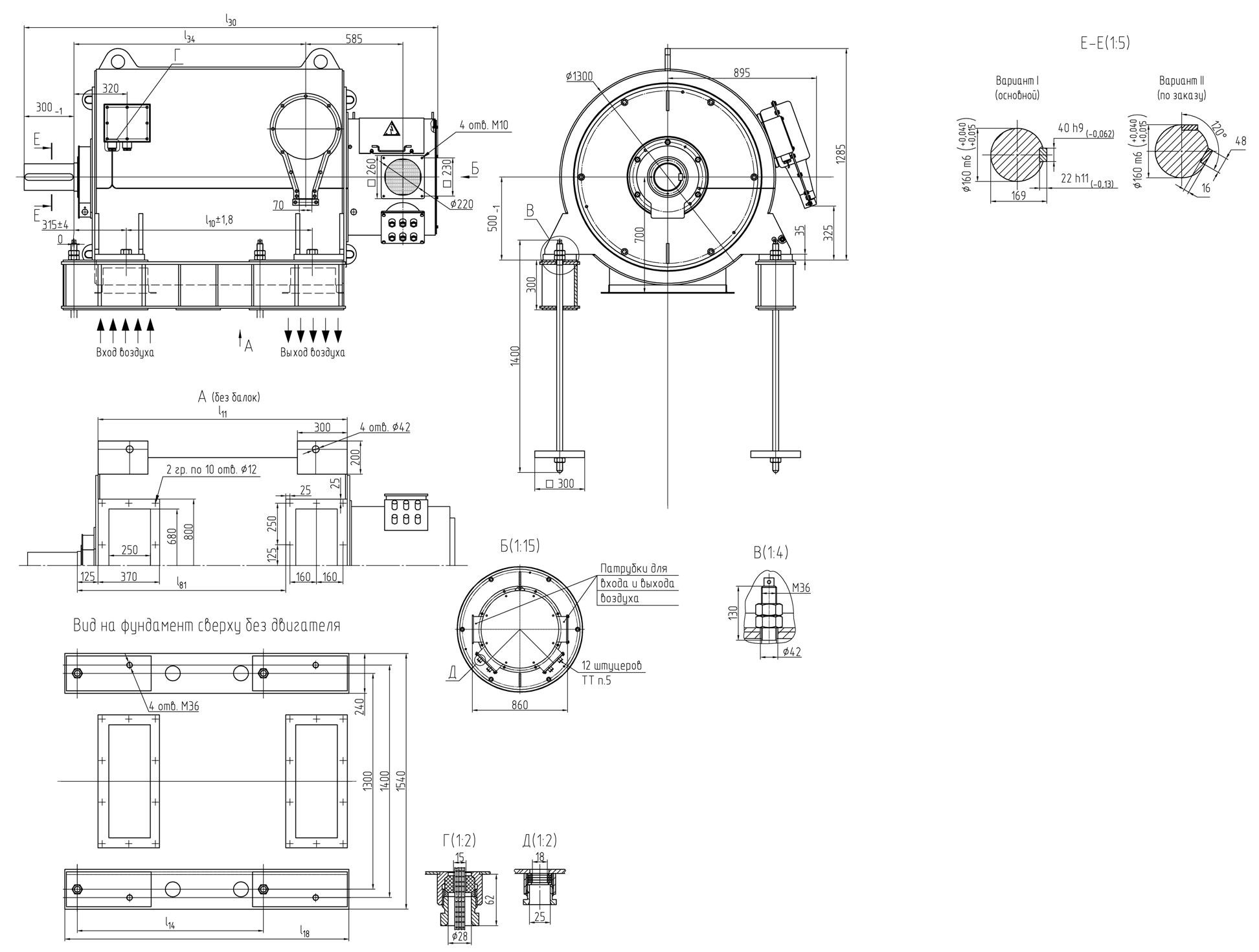
Технические характеристики электродвигателей приведены в таблицах 89 и 90 и на рисунке
| Тип двигателя | Мощность, кВт | Напряжение, В | Синхронная частота вращения, об/мин | КПД, % | cos φ | Мmax/Мnom |
|---|---|---|---|---|---|---|
| АКНЗ-2-15-57-8У3 | 800 | 6000 | 750 | 95,1 | 0,86 | 2,3 |
| АКНЗ-2-15-69-8У3 | 1000 | 6000 | 750 | 95,1 | 0,87 | 2,3 |
| АКНЗ-2-15-69-8У3 | 1000 | 6000 | 750 | 95 | 0,87 | 1,9 |
| АКНЗ-2-15-69-8У3 | 630 | 6000 | 600 | 94,2 | 0,83 | 1,75 |
| Мощность, кВт | |
| Синхронная частота вращения, об/мин | |
| Напряжение, В |
| Тип | l10 | l11 | l30 | l34 | l14 | l18 | l81 | Масса, кг |
|---|---|---|---|---|---|---|---|---|
| АКНЗ-2-15-57-8У3 | 1000 | 1380 | 2480 | 1275 | 1000 | 1590 | 1135 | 5800 |
| АКНЗ-2-15-69-8У3 | 1120 | 1500 | 2575 | 1395 | 1120 | 1710 | 1255 | 6100 |
| АКНЗ-2-15-69-8У3 | 1120 | 1500 | 2480 | 1395 | 1120 | 1590 | 1135 | 5150 |
| АКНЗ-2-15-69-8У3 | 1000 | 1380 | 2360 | 1275 | 1000 | 1710 | 1255 | 4910 |