Zkem
0%

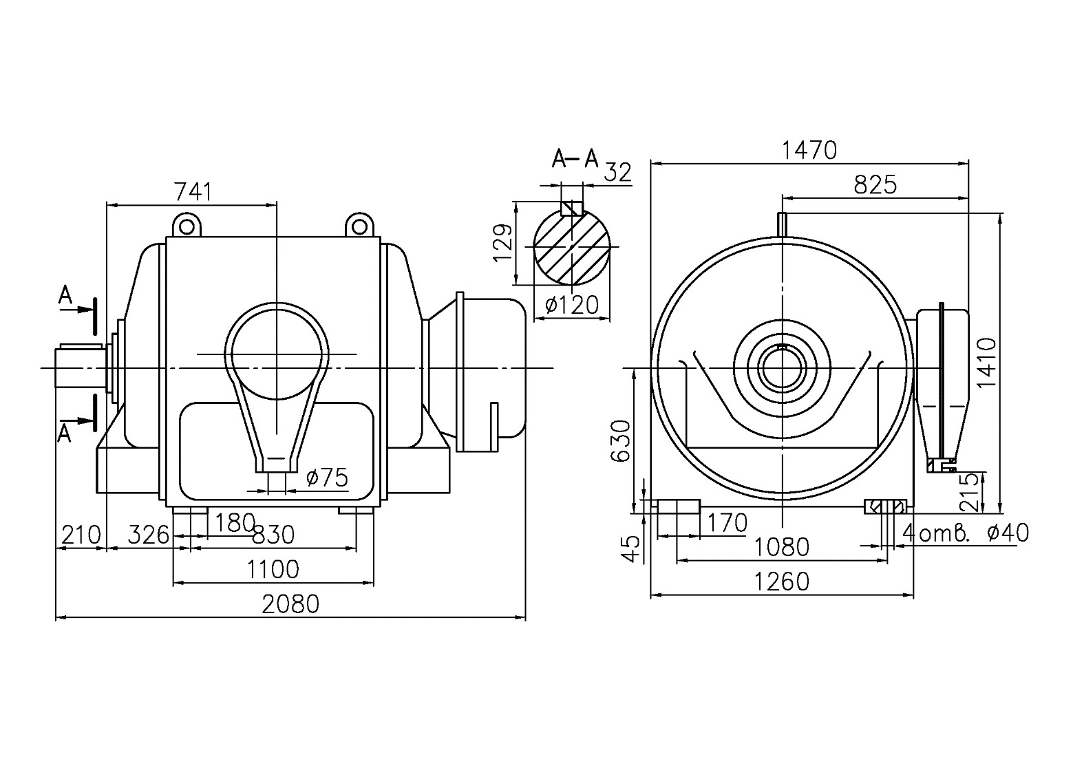
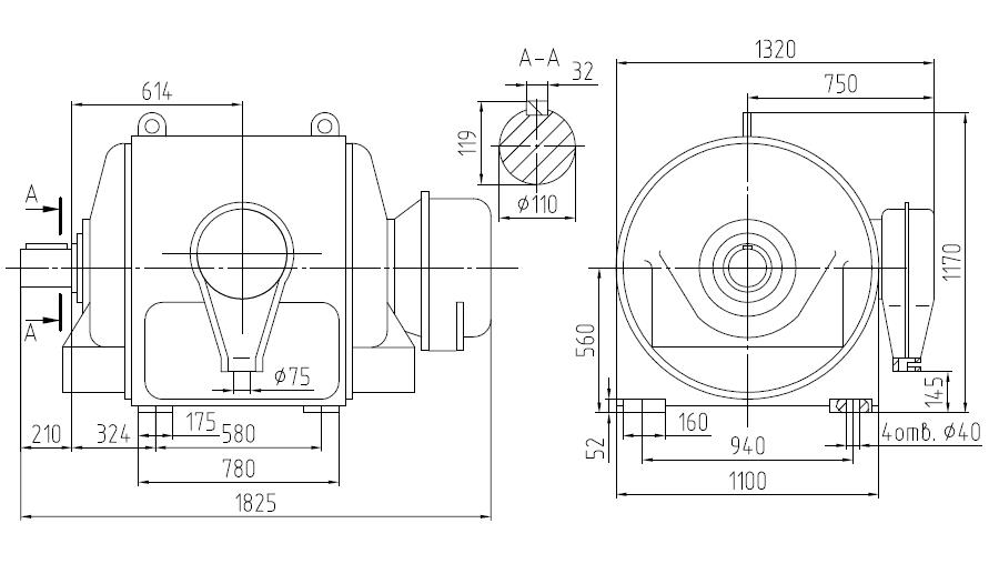
ЭЛЕКТРОДВИГАТЕЛИ СЕРИИ АКБ 12 И 13 ГАБАРИТОВ

Описание

Двигатели трехфазного тока с фазным ротором предназначены для привода лебедок буровых установок.

Двигатели трехфазного тока с фазным ротором предназначены для привода лебедок буровых установок.
Вид климатического исполнения двигателей У2 или УХЛ2.    
Степень защиты - IP23.
Двигатели предназначены для работы от сети переменного тока частотой 50 Гц напряжением 6000В и 3000В. 
Номинальный режим работы двигателей — повторно-кратковременный — S5.
Пуск двигателя осуществляется от полного напряжения сети с включением в цепь ротора пус-кового сопротивления при помощи станции управления.
Обмотка статора имеет шесть выводных концов, закрепленных на четырех изоляторах в короб-ке выводов. Соединение фаз обмоток — «звезда».
Двигатели допускают правое и левое направление вращения. Изменение направления вращения осуществляется только из состояния покоя.
Технические характеристики двигателей приведены в таблице 85.
 

Тип двигателя Мощность, кВт Частота вращения (синх.), об/мин KПД, % cos φ Масса, кг
АКБ-12-39-6У2 315 1000 91,5 0,87 2785
АКБ-13-62-8УХЛ2 560 750 94,2 0,84 4300

Мощность, кВт
Синхронная частота вращения, об/мин
Напряжение, В
Подбор параметров
Категория
Наименование Мощность, кВт Синхронная частота вращения, об/мин Напряжение, В
ЭЛЕКТРОДВИГАТЕЛИ СЕРИИ АКН2 18-ГО И 19-ГО ГАБАРИТОВ