Электродвигатели с короткозамкнутым ротором предназначены для привода механизмов, не требующих регулирования частоты вращения, и рассчитаны для работы в продолжительном режиме S1 от сети переменного тока частотой 50 Гц.
Электродвигатели с короткозамкнутым ротором предназначены для привода механизмов, не требующих регулирования частоты вращения, и рассчитаны для работы в продолжительном режиме S1 от сети переменного тока частотой 50 Гц.
Двигатели изготавливаются на напряжение 6000 В.
Степень защиты двигателей – IP23.
Охлаждение двигателей осуществляется в режиме самовентиляции.
Двигатели выполняются на подшипниках качения с одним концом вала. Выводные концы вы-ведены в коробку выводов. Коробка выводов снабжена предохранительной мембраной и соответству-ет современным требованиям по стойкости к токам короткого замыкания.
Изоляция обмоток термореактивная типа «Монолит2».
Структура условного обозначения двигателя:
|
АД |
- |
ХХХХ |
- |
Х |
- |
ХХ |
|
ХХХ |
|
|
|
|
|
|
|
|
Климатическое исполнение и категория размещения |
|||
|
|
|
|
|
|
Число полюсов; |
||||
|
|
|
|
|
Напряжение в кВ, отличное от 6 кВ; |
|||||
|
|
|
Мощность, кВт; |
|||||||
|
А – асинхронный; Д – двигатель. |
|||||||||
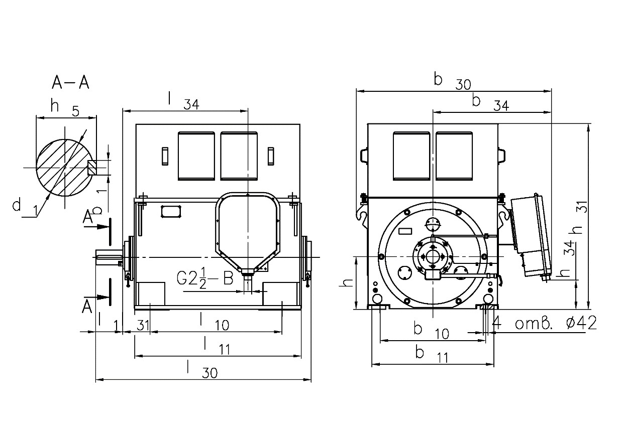
Технические характеристики приведены в таблице 17, габаритные и присоединительные размеры – на рисунках 1 -3 и в таблице 18.
| Тип двигателя | Мощность, кВт | Частота вращения, (синх.) об/мин | KПД, % | cos φ | Mмакс/ Mном | Mпуск/ Mном | Iпуск/ Iном |
|---|---|---|---|---|---|---|---|
| АД-2500-6У3 | 2500 | 1000 | 96 | 0,9 | 2,3 | 0,9 | 6,5 |
| АД-1250-8У3 | 1250 | 750 | 95,5 | 0,82 | 2 | 1,1 | 5,5 |
| АД-315-10-10У3 | 315 | 600 | 92,8 | 0,75 | 2,6 | 1,4 | 6,5 |
| АД-800-12У3 | 800 | 500 | 94 | 0,78 | 2 | 1,1 | 5 |
| АД-500-16ТС3 | 500 | 375 | 93 | 0,76 | 2 | 1 | 5 |
| Мощность, кВт | |
| Синхронная частота вращения, об/мин | |
| Напряжение, В |