Электродвигатели с короткозамкнутым ротором А5К-355 предназначены для привода насосов, воздуходувок, вентиляторов и других механизмов, не требующих регулирования частоты вращения, и рассчитаны для работы в продолжительном режиме S1 от сети переменного тока частотой 50 Гц
Электродвигатели с короткозамкнутым ротором А5К-355 предназначены для привода насосов, воздуходувок, вентиляторов и других механизмов, не требующих регулирования частоты вращения, и рассчитаны для работы в продолжительном режиме S1 от сети переменного тока частотой 50 Гц.
Двигатели соответствуют стандартам Международной Электротехнической Комиссии (МЭК).
Двигатели изготавливаются на напряжение 6000 В.
Конструктивное исполнение по способу монтажа - IM1001.
Двигатели выполняются на подшипниках качения, с одним концом вала.
Выводные концы выведены в коробку выводов и соединены в "звезду на четырех изоляторах".
Степень защиты коробки выводов— IP54.
Степень защиты двигателей — IP23.
Охлаждение двигателей в режиме самовентиляции.
Структура условного обозначения типоисполнения двигателя:
|
А5К |
- |
ХХХ |
- |
ХХХ |
- |
2, 4, 6 |
- |
У3 |
|
|
|
|
|
|
|
|
|
|
Климатическое исполнение и категория размещения |
|
|
|
|
|
|
|
|
Число полюсов |
|||
|
|
|
|
|
Номинальная мощность, кВт |
|||||
|
|
|
Высота оси вращения в мм |
|||||||
|
Обозначение: А – асинхронный двигатель с короткозамкнутым ротором; 5 – номер серии; К – изготовлено в Новой Каховке. |
|||||||||
Технические характеристики двигателей приведены в таблице 1.
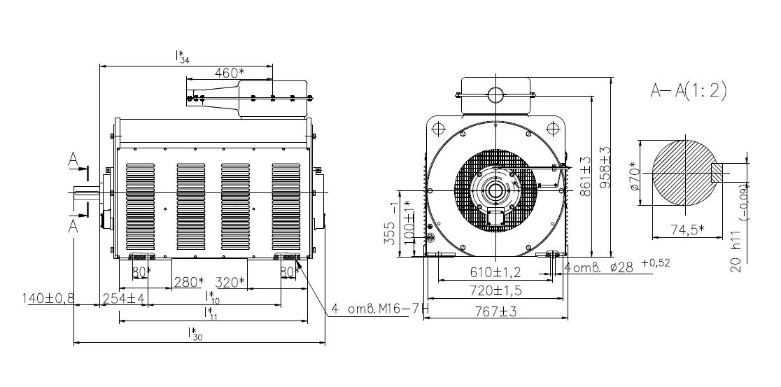
Габаритные и присоединительные размеры двигателей приведены в таблице 2.
| Тип двигателя | Мощность, кВт | Частота вращения (синхр), об/мин | КПД, % | cos φ | M max/ М ном | М пуск/ М ном | I пуск/ I ном |
|---|---|---|---|---|---|---|---|
| А5К-355-200-2 | 200 | 3000 | 92,8 | 0,89 | 3 | 0,9 | 7 |
| А5К-355-250-2 | 250 | 3000 | 93,3 | 0,89 | 2,7 | 0,9 | 6 |
| А5К-355-315-2 | 315 | 3000 | 93,7 | 0,89 | 2,3 | 0,9 | 5,5 |
| А5К-355-400-2 | 400 | 3000 | 94,1 | 0,89 | 2,5 | 0,9 | 7 |
| А5К-355-500-2 | 500 | 3000 | 94,5 | 0,89 | 2,6 | 0,9 | 6 |
| А5К-355-200-4 | 200 | 1500 | 93,4 | 0,89 | 2,2 | 1,1 | 6,2 |
| А5К-355-250-4 | 250 | 1500 | 93,8 | 0,89 | 2,2 | 1,1 | 6 |
| А5К-355-315-4 | 315 | 1500 | 94 | 0,9 | 2,2 | 1 | 5,5 |
| А5К-355-400-4 | 400 | 1500 | 94,5 | 0,9 | 2,2 | 1 | 5,5 |
| А5К-355-200-6 | 200 | 1000 | 93,2 | 0,85 | 2 | 0,9 | 4,8 |
| А5К-355-250-6 | 250 | 1000 | 93,6 | 0,85 | 2 | 0,9 | 4,7 |
| Мощность, кВт | |
| Синхронная частота вращения, об/мин | |
| Напряжение, В |
| Типоразмер двигателя | Рис. | l10 | l11 | l30 | l34 | l35 | Масса, кг |
|---|---|---|---|---|---|---|---|
| А5К-355-200-2 | 1 | 710 | 1005 | 1340 | 921 | - | 1270 |
| А5К-355-250-2 | 1 | 710 | 1005 | 1340 | 921 | - | 1260 |
| А5К-355-315-2 | 1 | 710 | 1005 | 1340 | 921 | - | 1400 |
| А5К-355-400-2 | 1 | 800 | 1105 | 1440 | 1021 | - | 1470 |
| А5К-355-500-2 | 1 | 800 | 1105 | 1440 | 1021 | - | 1620 |
| А5К-355-200-4 | 2-3 | 630 | 950 | 1258 | 855 | 569 | 1260 |
| А5К-355-250-4 | 2-3 | 630 | 950 | 1258 | 855 | 569 | 1330 |
| А5К-355-315-4 | 2-3 | 710 | 1010 | 1318 | 915 | 609 | 1500 |
| А5К-355-400-4 | 2-3 | 800 | 1110 | 1418 | 1015 | 654 | 1730 |
| А5К-355-200-6 | 2-3 | 630 | 950 | 1258 | 855 | 569 | 1500 |
| А5К-355-250-6 | 2-3 | 710 | 1010 | 1318 | 915 | 609 | 1525 |